上海乾拓贸易有限公司
企业QQ:2880626087
电话;021-69001039
手机;17321017802(微信)
邮箱;17321017802@163.com
联系人;杨婷玉
地址:上海市嘉定区江桥嘉涌路99弄6号713室
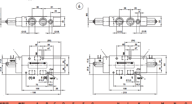
高流速气口尺寸:
外部先导供应: 可选择
多种手控选项V60A413A-A#*** NC G1/8 电控//气复位 内 非集中 1 750 22 ...... 88 –– 00,,2222 11
G3/8 2600 1900
G1/2 4200 2200 (5/3)
经过验证的密先导V60A423A-A#*** NC G1/8 电控//气复位 外 非集中 1 750 -0,,9 ...... 8 3 ...... 8 0,,,22 11
V60A417A-A#*** NC G1/8 电控//弹簧 内 非集中 1 750 3 ...... 8 - 00,,,2222 2288
V60A413D-C#13A NC G1/8 电控//气复位 内 集中 2 750 2 ...... 10 - 0,,21 4
V60A423D-C#13A NC G1/8 电控//气复位 外ll 集中 2 750 -0,,9 ...... 10 3 ...... 10 0,,21 4
G1/8~G1/2阀体和阀端盖: 铝
接口尺寸 3/2, 5/2 2 x 3/2, 5/3
G1/8 750 500阀芯:不锈钢,
运行压力:
1,5/2 ~ 8/10 bar
流动方向:
内部先导: 固定
活塞,间隔装置和机盖: 合成材料
静态和动态密封: NBR,
螺丝:镀锌
弹簧:不锈钢
可供选择的类型
耗能(2 W)
先导控制
底版系统容易安装
多种压力选择项
021-39526589
网址:www.qiant.net
地 址:上海市嘉定区嘉涌路99弄
6号楼713室