力士乐波纹管式气缸明细,博士气缸
上海乾拓贸易有限公司
企业QQ:2880626087
电话;021-69001039
手机;17321017802(微信)
邮箱;17321017802@163.com
联系人;杨婷玉
地址:上海市嘉定区江桥嘉涌路99弄6号713室
皮腔 天然橡胶 / 丁二烯橡胶
前端盖板 钢, 镀锌
后盖 钢, 镀锌
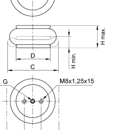
结构特点 带罩盖的波纹管式气缸
实用原则 单作用式,不受压缩回
允许倾斜角 较大值. 15 °坦的安装面,将提高冲程起点的回复力和动力
输出。此时,通过安装面挤压橡胶波纹管。该产品所需的上部空间较大,在
少数情况下可能存在不便。任何情况下,数据页内的数据都适用于使用波纹盖面尺寸的安装面。
工作压力范围 0 bar / 8 b结构特点 带罩盖的波纹管式气缸
实用原则 单作用式,不受压缩回
回复力和动力
输出。此时,通过安装面挤压橡胶波纹管。该ar
环境温度范围 -40°C / +70°C
介质 压缩空气确保通过末端挡块遵守小高度 H 以及较大高度 H。
■ 运行高度 ≥ Hmax 时使用:只能在与 AVENTICS 协商后
■ 有关震动隔离器的信息参见“技术信息”
■ 固定力降,当温度过: 50 °C
确定活塞推力的压力 6 bar
允许倾斜角 较大值. 15 °坦的安装面,将提高冲程起点的
力士乐波纹管式气缸明细,博士气缸
021-39526589
网址:www.qiant.net
地 址:上海市嘉定区嘉涌路99弄
6号楼713室