REXROTH2.5位换向阀结构特点,力士乐DL05系列换向阀
上海乾拓贸易有限公司
企业QQ:2880626086
手机;17302157802(微信)
邮箱:17302157802@163.com
传真;021-39947181
联系人;余玲
上海市嘉定区江桥镇嘉涌路99弄6号713室
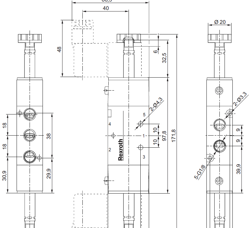
二位五通换向阀, 系列 DL05
▶ Qn = 760 l/min ▶ 管式连接 ▶ 压缩空气 接口 出口: G 1/8 ▶ 手动控制装置: 可锁定 ▶ 双电磁线圈
粗字体标识的产品属于库存产品,在德国的中心仓库都有库存
气动产品-目录,PDF,制定于 2011-01-14, © Bosch Rexroth AG,保留更改权利
00138576
结构特点滑阀,零遮盖
先导内部
密封原理软密封
工作压力范围1,5 bar / 9 bar
控制压力小/较大1,5 bar / 9 bar
环境温度 小值/较大值-5°C / +60°C
较/较高介质温度-5°C / +60°C
介质压缩空气
颗粒大小 max. 40 μm
压缩空气中的含油量0 mg/m³ - 1 mg/m³
暂载率100 %
开机时间50 ms
关机时间50 ms
安装螺钉M3, M4
REXROTH2.5位换向阀结构特点,力士乐DL05系列换向阀
材料:
外壳铝材

密封晴纶橡胶技术性备注
■ 压力露点必须至少于环境和介质温度15 °C,并且允许 的较高温度为 3 °C。
■ 压缩空气的机油含量必须在整个使用寿命中保持不变。
■ 只可使用经过 Bosch Rexroth 公司许可的机油,参见 “技术信息”章节中的内容。
HHB 压缩空气连接尺寸流量值产品代码
输入输出排气Qn
[l/min]
G 1/8 G 1/8 G 1/8 760 R412015199
HHB = 手动控制机构
不带线圈的基阀
额定流量Qn(6 bar、Δp = 1 bar)
021-39526589
网址:www.qiant.net
地 址:上海市嘉定区嘉涌路99弄
6号楼713室