上海乾拓贸易有限公司
企业QQ:2880626086
手机;17302157802(微信)
邮箱:17302157802@163.com
传真;021-39947181
联系人;余玲
上海市嘉定区江桥镇嘉涌路99弄6号713室
活塞杆气缸 ► 导向气缸
系列 MSC
附件
粗体字标识的材料编号从德国的中心仓库起即可使用,详细信息请见购物篮
气动产品-目录,PDF,制定于 2016-09-20, © AVENTICS S.à r.l.,保留更改权利
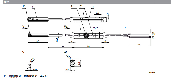
传感器, 系列 ST4-2P
► 4 mm C-沟槽 ► 开关点数目:2 ► 带电缆 ► 线芯外露部分镀锡, 4-針 ► 电子 PNP
00133721
合格证书 cULus
RoHS
环境温度范围 -20°C / +75°C
防护等级 IP65, IP67
功率消耗 <15 mA
工作电压DC 小/较大 12 V DC - 30 V DC
重复精度 较大测量范围 0,1 mT
滞环 1 mT
开关逻辑电路 常开
显示 发光二极管
发光二极管状态显示 黄色
显示 2 发光二极管
振动阻力 10 - 55 Hz, 1 mm
冲击阻力 30 g / 11 ms
安装螺钉 带内六方
材料:
外壳 聚酰胺
较大值.
较大的电压降 换向电流(开关电流)
,直流电,较大值.
物料号
[m] [mm] [A]

电子 PNP 2 50 ≤ 2,2 V 0,15 R412010139
界面、闭合处: 线芯外露部分镀锡; 4-針
短路保护 / 反极性保护
021-39526589
网址:www.qiant.net
地 址:上海市嘉定区嘉涌路99弄
6号楼713室