日本小金井磁性开关种类概述,koganei磁性开关
ZB430 无触点式磁性开关ZB430系列
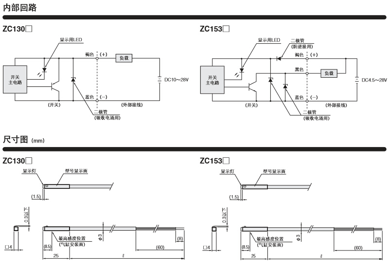
2线式无接点带LED ZC130 无触点式磁性开关ZC130系列
2线式无接点带LED
ZC153 无触点式磁性开关ZC153系列
3线式无接点带LED ZC201 有触点式磁性开关ZC201系列
2線式有接点
ZC205 有触点式磁性开关ZC205系列
2线式有接点带LED ZC230 无触点式磁性开关ZC230系列
2线式无接点带LED
ZC253 无触点式磁性开关ZC253系列
3线式无接点带LED ZC301 有触点式磁性开关ZC301系列
2線式有接点
ZC305 有触点式磁性开关ZC305系列
2线式有接点带LED ZC330 无触点式磁性开关ZC330系列
2线式无接点带LED
ZC353 无触点式磁性开关ZC353系列
3线式无接点带LED ZC601 有触点式磁性开关ZC601系列
2線式有接点
ZC605 有触点式磁性开关ZC605系列
2线式有接点带LED ZC630 无触点式磁性开关ZC630系列
2线式无接点带LED
ZC653 无触点式磁性开关ZC653系列
3线式无接点带LED ZE101 有触点式磁性开关ZE101系列
2線式有接点(横向引出导线)
ZE102 有触点式磁性开关ZE102系列
2线式有接点带LED(横向引出导线) ZE135 无触点式磁性开关ZE135系列
2线式无接点带LED(横向引出导线)
ZE155 无触点式磁性开关ZE155系列
3线式无接点带LED(横向引出导线) ZE175 无触点式磁性开关ZE175系列
3线式无接点带LED(横向引出导线)


上海乾拓贸易有限公司
电话:021-69000965
传真:021-39529830-8007
手机:17321056802 (同微信)
邮箱:17321056802@163.com
企业QQ:2880626084
联系人:郑娜
地址:上海嘉定区嘉涌路99弄6号楼713
日本小金井磁性开关种类概述,koganei磁性开关
021-39526589
网址:www.qiant.net
地 址:上海市嘉定区嘉涌路99弄
6号楼713室