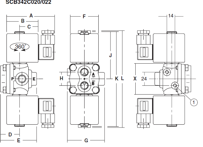
SCB342C022 230V/50Hz—ASCO两位四通电磁阀尺寸设计图
SCB342C001 230V/50Hz
SCB342C003MS 115V/50Hz
SCB342C020V 48V/50Hz
SCB342C022 230V/50Hz

WSNF8327B122,24DC
:8262H232,
8210G009220VAC/50
8222G002LT110VAC/50,
ASCO52100001DC24V
NF8327B001
SCXE238A009VDC24V
19000043
30701001
26190067
34393109
34600002

Maximum viscosity 65 cSt (mm2/s)
Response times 20 - 40 ms
Direct lift solenoid valves have spring loaded sliding resilients for absolute tight shut-off
The solenoid valves satisfy all relevant EC Directives
Coil insulation class F
Connector Spade plug (cable ? 6-10 mm)
Discs NBR
Slide PA
Solenoid valves with integrated pilot and slide disc mechanism
air, inert gas, water, oil - 20°C to + 70°C NBR (nitrile)
Seals NBR


Electrical safety IEC 335
Electrical enclosure protection Moulded IP65 (EN 60529)
Standard voltages AC (~) : 24V - 48V - 115V - 230V / 50 Hz
Differential pressure See "SPECIFICATIONS" [1 bar =100 kPa]
Slide cups FPM
Shading coil Copper
Brass bodied 4/2 slide disc valves, single or dual solenoid, ideally suited to control double acting cylinders
Connector specifi cation ISO 4400 / EN 175301-803, form A
Core tube Stainless steel
Core and plugnut Stainless steel
Core spring Stainless steel
Seat PTFE - reinforced
8344G080AC110V50HZ,查维修包302723
8344G72DC220V,查维修包302733
8344G044AC220V50HZ,查维修包302721,
WSNF8327B002
SCB342C022 230V/50Hz—ASCO两位四通电磁阀尺寸设计图
WSNF8327B11224VDC,
WSNF8327B10224VDC,
EFG551H401MO24VDC,
SCG551A001MS24VDC,
VCEFCMG551H317MO
YA2BB4522G00040,
ASCO集装板1061103S
SCG552A017
JKH8320G174MO,
EF8320G186
ASCO电磁阀52100001
ASCO汇流排35500342
ASCO汇流排35500345
ASCO汇流排35500346
ASCO汇流排35500347
34600003
34600137
35300049
35500560
54101002
54226724
54326729
43400006
10847
35900022
54000063
54101004
88122605
ASCO型号:SCB030A067V,
NFG210C08724DC
C32D-06DG,
SCB030A067V,24DC,
ASCO8316G074二位三通电磁阀材质黄铜2
EFHB8308B040220V/50,
52000015
SCB342C022 230V/50Hz—ASCO两位四通电磁阀尺寸设计图
021-39526589
网址:www.qiant.net
地 址:上海市嘉定区嘉涌路99弄
6号楼713室