

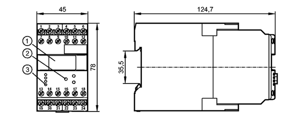
1: OLED显示器
2: 编程按钮
3: LED灯
DD2605
DF1100
DF1208
DF1210
DF1212
DF1214
DF1216
DF2100
DF2208
DF2210
DF2212
DF2214
DF2216
DI0001
DI0002
DI0004
DI003A
DI004A
DI0101
DI0104
DI103A
DI5001
DI5003
DI5004
DI5005
DI5007
环境温度 [°C] -40...60
存储温度 [°C] -40...85
允许较大的相对空气湿度 [%] 80 (31°C), 线性递减至50 % (40 °C)
防护外壳/接线端子 IP 50 / IP 20
接线
1: DC 连接电压 (L-)
2: DC 连接电压 (L+)
3: 电源 晶体管输出 (L+)
4: 故障输出 1
5: 8.2 V DC 传感器电源 1 (L-)
6: 8.2 V DC 传感器电源 1 (L+)
7: AC 连接电压 (L)
8: AC 连接电压 (N)
9: n.c.
10: 故障输出 2
11: 8.2 V DC 传感器电源 2 (L-)
12: 8.2 V DC 传感器电源 2 (L+)
13: 继电器 1 (通用)
14: 继电器 1 (常开)
15: 继电器 1 (常闭)
16: 晶体管输出 1 pnp
17: 复位 1 pnp
18: 复位 2 pnp
19: 继电器 2 (通用)
20: 继电器 2 (常开)
21: 继电器 2 (常闭)
22: n.c.
23: n.c.
24: 晶体管输出 2 pnp
用范围: 用于滑动/同步监控以及频率、速度的具µprocessor处理器的脉冲估算系统
额定电压: 110...240 AC (50...60 Hz) / 27 DC (typ. 24 DC) V
继电器接口容量: 6 A (250 V AC); B300, R300
接口: 双室盒接线端子2 x 2.5 mm² (2 x AWG 14)
外壳材料: 塑料
环境温度: -40...60 °C
防护外壳/接线端子: IP 50 / IP 20
开关状态显示: LED 绿灯 (当继电器闭合/晶体管断开, 灯闪烁)
显示: OLED显示器: 128 x 64 dots 发光的
附件(单独订购): 安装附件
接口 双室盒接线端子2 x 2.5 mm² (2 x AWG 14)
输出
继电器
继电器接口容量 6 A (250 V AC); B300, R300
晶体管
晶体管输出 pnp; 外部供电
开关电压/电流: 24 V DC / 较大值15 mA; 短路保护
测量/设定范围
设定范围 1...60000 (0.1...1000 Hz)
设定范围 滑动: 0.1...99.9 %
速度(频率): 1...60000脉冲/分钟(0.1...1000 Hz)
精度/偏差
测量误差 [终值的百分比] < 1
环境条件
注释
该产品符合过电压类别II; 污染度2

021-39526589
网址:www.qiant.net
地 址:上海市嘉定区嘉涌路99弄
6号楼713室