与20几家商家有着密切的合作关系
021-39526589
电 话:021-39526589
网址:www.qiant.net
地 址:上海嘉定区嘉涌路99弄6号楼713室
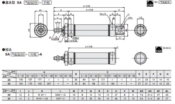
进口小金井苗条型气缸材质说明
上海乾拓贸易有限公司
QQ:1921967640
电话:021-39526589
手机:17321056802 (微信)
邮箱:17321056802@163.com
联系人:吴章瑶(先生)
地址:上海嘉定区嘉涌路99弄6号楼713室
DSBC-63-250-PPVA-N3,DSBC-80-200-PPVA-N3
供应费斯托ADN-32-305-A-P-A紧凑型气缸
费斯托DSBC-125-340-PPVA-N3气缸型号
费斯托带导向杆的气缸DFM-63-50-P-A-GF参数
费斯托气缸 圆形规格DSNU-25-45-P-A-S10
气缸 紧凑型FESTO介质ADN-50-10-I-P-A-S6
地 址:上海市嘉定区嘉涌路99弄
6号楼713室
请提交您的需求,我们将会马上给您回电