
结构特点:提动阀
工作压力范围:0,8 bar / 10 bar
环境温度范围:-18°C / +70°C
介质温度:-18°C / +70°C
介质:压缩空气
材料:
外壳;黄铜, 镀镍
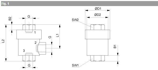
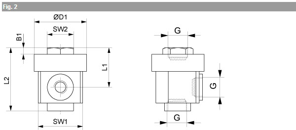
| 接口1 | 接口2 | 接口 3 (排气) | Qn | Qn | 重量 | 图片 | 注 | 物料号 | |
| 1▶2 | 2▶3 | ||||||||
| [l/min] | [l/min] | [kg] | |||||||
| M5 | M5 | M5 | 220 | 300 | 0,03 | Fig. 2 | 1) | 5735040900 | |
| G 1/8 | G 1/8 | G 1/8 | 680 | 1100 | 0,08 | Fig. 1 | 2) | 5735040000 | |
| G 1/4 | G 1/4 | G 1/4 | 1200 | 2100 | 0,15 | Fig. 1 | 2) | 5735040100 | |
| G 3/8 | G 3/8 | G 3/8 | 1800 | 3450 | 0,21 | Fig. 1 | 2) | R412010750 | |
| G 1/2 | G 1/2 | G 1/2 | 3400 | 6100 | 0,32 | Fig. 1 | 2) | 5735040300 | |
| G 3/4 | G 3/4 | G 3/4 | 2500 | 9800 | 0,45 | Fig. 1 | 2) | R412010751 | |
| G 1 | G 1 | G 1 | 7200 | 12000 | 1,65 | Fig. 1 | 2) | R412010752 |
1) 密封: 丙烯树胶
2) 密封: 聚氨酯
接口2: 内螺纹
接口 3 (排气): 内螺纹
6 bar、Δp = 1 bar 时的额定流量 Qn

| 物料号 | 接口 G | B1 | B2 | ØD1 | ØD2 | L1 | L2 | SW1 | SW2 | 重量[kg] |
| 5735040000 | G 1/8 | 6,5 | 6,5 | 28 | 24 | 27 | 42 | 15 | 15 | 0,08 |
| 5735040100 | G 1/4 | 9,5 | 9 | 33,5 | 29,5 | 35 | 53 | 19 | 19 | 0,15 |
| R412010750 | G 3/8 | 10 | 10 | 32,5 | 29,5 | 36 | 56 | 21 | 21 | 0,21 |
| 5735040300 | G 1/2 | 13,5 | 13 | 43 | 40 | 43 | 72 | 26 | 26 | 0,32 |
| R412010751 | G 3/4 | 19 | 16 | 49 | 45,5 | 55 | 90 | 32 | 32 | 0,45 |
| R412010752 | G 1 | 17 | 17 | 80 | 70 | 70 | 110 | 46 | 46 | 1,65 |

| 物料号 | 接口 G | B1 | ØD1 | L1 | L2 | SW1 | SW2 | 重量[kg] |
| 5735040900 | M5 | 2,5 | 20 | 17 | 25 | 17 | 10 | 0,03 |

021-39526589
网址:www.qiant.net
地 址:上海市嘉定区嘉涌路99弄
6号楼713室