好销量德国安沃驰压力传感器0822122007

显示 发光二极管
压力切换指示灯 2 发光二极管
开关逻辑电路 常开
环境温度范围 +0°C / +60°C
介质温度范围 +0°C / +50°C
介质 压缩空气
压缩空气中的较大含油量 1 mg/m³
冲击阻力 max.
(XYZ方向) 10 g
振动阻力
(XYZ方向) 10 - 55 Hz, 0,1 mm
重复精度按%(相对于终值) ± 1 %
转换时间 < 2 ms
开关点 调节范围0-
返回连接点 调节范围0-
工作电压DC 小/较大 10 V - 30 V
静态电流接收 <20 mA
换向电流(开关电流),直流电,较大值.[A] 0,2
防短路能力 定时
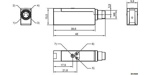
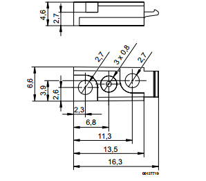
固定方式 通过法兰
防护等级 IP40
重量 0,006 kg
外壳 聚碳酸酯
密封 丙烯树胶
电子连接 黄铜, 镀镍








| 类型 | 开关压力范围小/较大[bar] | 压保险 | 物料号 | |
| Bitmap | PE6-P2-L HYST FEST | #DIV/0! | 5 bar | R412007880 |
| PE6-P2-L HYST EINST | #DIV/0! | 5 bar | R412007881 | |
| PE6-P2-S HYST FEST | #DIV/0! | 5 bar | R412007882 | |
| PE6-P2-S HYST EINST | #DIV/0! | 5 bar | R412007883 | |
| PE6-P2-L HYST. FEST | 0 / 10 | 15 bar | R412007884 | |
| PE6-P2-L HYST. EINST | 0 / 10 | 15 bar | R412007885 | |
| PE6-P2-S HYST. FEST | 0 / 10 | 15 bar | R412007886 | |
| PE6-P2-S HYST. EINST | 0 / 10 | 15 bar | R41200788 |

好销量德国安沃驰压力传感器0822122007
021-39526589
网址:www.qiant.net
地 址:上海市嘉定区嘉涌路99弄
6号楼713室