BURKERT 8025T 型变送器/附件订货表

电气参数 - 一体式流量变送器
工作电源12-30 V DC(V+)± 10%,经过滤波和整流的,或
115/230V AC,50/60Hz(见右表)
电流消耗 ≤ 70 mA(带继电器);≤ 20 mA(不带继电器)
输出:频率
电流信号
4-20 mA(带继电器 3 线制;无继电器 2 线制)
较大回路阻抗:900Ω(30 V DC);600Ω(24 V
DC);50Ω(12 V DC);800Ω(115/230 V AC)
脉冲信号
极化,自由电位,5-30 V DC;100mA,受保护,
100 mA 时线压降:1.5V DC
继电器
2 个继电器,可自由编程,3A,230 V AC
115/230V AC 技术参数
内置电源
27 V DC(可调)
较大电流:125 mA
保护:125 mA 熔丝(延迟)
功率:3 VA
8025T 型变送器订货表
标准输出信号变送器,
2 个累加器
12-30 V DC 4-20 mA(2 线制)
+脉冲
无 霍尔, 短DIN EN 175301-803 418 762
2 个电缆接头418 802
霍尔, 长DIN EN 175301-803 418 763
2 个电缆接头418 803
4-20 mA (3 线制)
+脉冲
2 霍尔, 短2 个电缆接头418 778
霍尔, 长2 个电缆接头418 779
115-230 V AC 4-20 mA (2 线制)
+脉冲
无霍尔, 短2 个电缆接头418 423
霍尔, 长2 个电缆接头418 424
4-20 mA(3 线制)
+脉冲
2 霍尔, 短2 个电缆接头418 431
霍尔, 长2 个电缆接头418 432
显示器,2 个累加器 2 x 9 V DC
电池
--- 无线圈式, 短无418 403
线圈式,长无418 405
面板式通用型变送器,2个累加器12-30 V DC 4-20 mA (3线制) +脉冲无接线端子419 538
2 接线端子419 537
变送器,2个累加器12-30 V DC 4-20 mA (2 线制) + 脉冲无接线端子418 992
墙装式通用型变送器,2个累加器12-30 V DC 4-20 mA (3线制 ) + 脉冲无3 个电缆接头419 541
2 3 个电缆接头419 540
115-230 V AC 4-20 mA (3 线制) + 脉冲无3 个电缆接头419 544
2 3 个电缆接头419 543
变送器,2个累加器12-30 V DC 4-20 mA (2 线制) + 脉冲无3 个电缆接头418 397
115-230 V AC 4-20 mA (2 线制) + 脉冲无3 个电缆接头418 400
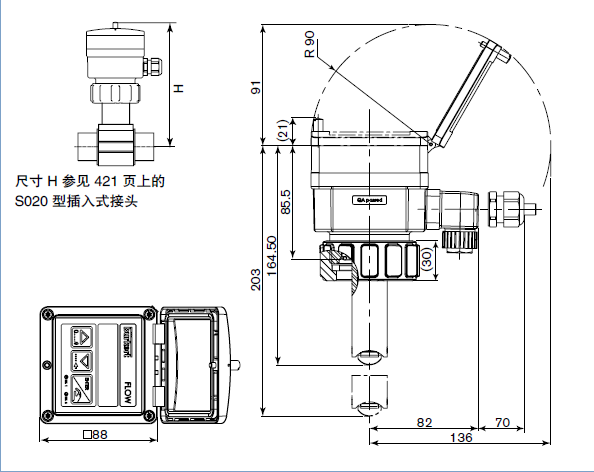
尺寸

订购整套 8025 T 型变送器时需注意:
一套完整的 8025T 型变送器包括 8025T型变送器和 S020 型插入式接头(418-425页)。
标准供货为 FKM 密封;标准供货还包括1 个黑色 EPDM 传感器密封、1 个 M20 x 1.5电缆接头堵头、1 个 2x6 mm 多用密封和 1 份安装说明书。
请分别订购合适的变送器和插入式接头!
8025T 型面板式或墙装式变送器
面板式:
8025T 型面板式流
量变送器为集成于前面板
外壳内的 8025T 电子模
块。与其相配套的为 8020
型 (见 400-401 页)
、80 3 0“功率”型(
见 376-377页),或其它
Burkert 流量传感器。通用变送器还可与市售
标准流量传感器配套。
技术参数 - 分体式
电气连接端子(面板式),通过 M16x1.5 电缆接头的端子(墙装式)
连接电缆屏蔽电缆,较大截面 1.5 mm2
防护等级IP65(面板式和墙装式)
IP20(面板式,控制柜安装)
相对湿度 ≤ 80%,无凝露
环境温度 0-60℃(工作与贮存)
材质
外壳,盖
前面板薄片
螺钉
电缆接头
PC(面板式);ABS(墙装式)
聚酯
不锈钢
PA(墙装式)
订货号
2 个 M20 x 1.5 电缆接头+ 2 个氯丁橡胶平垫片(用于电缆接头或电缆插头)+ 2 个 M20 x 1.5 堵头+ 2 个2 x 6 mm 多用密封449 755
2 个 M20 x 1.5/NPT1/2”转换接头+ 2 个氯丁橡胶平垫片(用于电缆接头或电缆插头)+ 2 个 M20 x 1.5 堵头551 782
1 个 M20 x 1.5 堵头(用于不用的电缆接头)+ 1 个 2 x 6 mm 多用密封(用于电缆接头)+ 1 个黑色 EPDM 垫圈(用于传感
器) + 1 份安装说明书
551 775
环619 205
油宁帽619 204
1 个绿色 FKM + 1个 黑色 EPDM 垫圈552 111
DIN EN 175301-803 电缆插头,带电缆接头(2508 型) 438 811
DIN EN 175301-803 电缆插头,带 NPT1/2” 转换接头,不带电缆接头(2509 型) 162 673
BURKERT 8025T 型变送器/附件订货表
021-39526589
网址:www.qiant.net
地 址:上海市嘉定区嘉涌路99弄
6号楼713室