企业QQ:2880626087
手机: 15308020014
电话: 028-84634436-8004
传真: 028-84634436-8007
邮箱: 15308020014@163.com
联系人:王倩
技术参数:
检测类型光电采样
输入电流<6毫安
接通延迟<10毫秒
设备类型多圈值编码器
工作电压4.5 ... 30 V DC
空载电源电流较大。180毫安
工作温度-40 ... 85°C(-40 ... 185°F)
惯性矩30克2
启动扭矩<3 Ncm
储存温度-40 ... 85°C(-40 ... 185°F)
防护等级DIN EN 60529,IP65
气候测试DIN EN 60068-2-3,无水分凝结
发射干扰EN 61000-6-4:2007
可用时间延迟<250毫秒
实物图:

机械安装使用:
型旋转编码器的机械安装有高速端安装、速端安装、辅助机械装
齿轮间隙误差,一般用于单向控制定位,例如轧钢的辊缝控制
置安装等多种形式。
高速端安装:安装于动力马达转轴端(或齿轮连接),此方法是分辨率
分用足量程而提高分辨率,缺点是运动物体通过减速齿轮后,来回程有
高,由于多圈编码器有4096圈,马达转动圈数在此量程范围内,可充
另外编码器直接安装于高速端,马达抖动须较小,不然易损坏编码器。
原理:
由于编码器在定位方面明显地优于增量式编码器,已经越来越多地
编码器在多位数输出型,一般均选用串行输出或总线型输出,德国
应用于工控定位中。型编码器因其,输出位数较多,如仍用
隔离,连接电缆芯数多,由此带来诸多不便和降性,因此,
并行输出,其每一位输出信号必须确保连接很好,对于较复杂工况还要
的型编码器串行输出常用的是SSI(同步串行输出)。
型号:
NBB5-18GM40-E0-V1
NBB5-18GM40-E1
NBB5-18GM40-E2
NBB5-18GM40-E2-V1
NBB5-18GM40-E3-V1
NBB5-18GM40-Z0-3G-3D
NBB5-18GM40-Z3-V1
NBB5-18GM50-E0-V1
NBB5-18GM50-E2-C3-V1
NBB5-18GM50-E3
NBB5-18GM50-E3-V1
NBB5-18GM60-A0
NBB5-18GM60-A0-5M
NBB5-18GM60-A0-V1
NBB5-F9-E0-V3
NBB5-F9-E2
NBB5-F9-E2-V3
NBB8-18GM50-E2-M-Y257916
NBB8-18GM50-E2-M-Y266288
NBB8-18GM50-E2-V1-3G-3D
NBB8-18GM50-E2-V1-M-Y247438
NBB8-18GM50-E3-V1-M
NBB8-18GM50-E3-V1-M-Y247439
NBB5-18GM60-A2
NBB5-18GM60-A2-10M
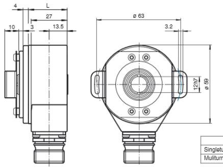
尺寸图:

NBB5-18GM60-A2-V1-3G-3D
NBB5-18GM60-I
NBB5-18GM60-I-V1
NBB5-18GM60-I3-V1
NBB5-18GM60-WO
NBB5-18GM60-WO-V12
NBB6-F-B3
NBB7-F10-E2
NBB7-F10-E2-V1
NBB7-F104M-A2-200MM-V1
NBB8-18GM30-E3-V1
NBB8-18GM50-E0-V1-M
NBB8-18GM50-E2-10M
NBB8-18GM50-E2-3G-3D
NBB8-18GM50-E2-3G-3D-5M
NBB8-18GM50-E2-M-Y257915
NBB5-18GM60-WS-10M
NBB5-18GM60-WS-V12
NBB5-18GM70-E2-V1
NBB5-F33-A2
021-39526589
网址:www.qiant.net
地 址:上海市嘉定区嘉涌路99弄
6号楼713室