企业QQ:2880626087
手机: 15308020014
电话: 028-84634436-8004
传真: 028-84634436-8007
邮箱: 15308020014@163.com
联系人:王倩
特点:
该产品系列在原有接点结构1NC/1NO和2NC的基础上,新 增了配备
2NC/1NO及3NC接点结构的3接点型和MBB型。
M12连接器型,更加节省劳动力,更换更方便。
标准化的镀金接点了接触的高性。 适用于标准负载和微小负载
多种金属头部可选。
实物图:

功能:
智能安全开关/插座独创线路终端一对一保护功能,将电流过载保护技术
常用电。产品的得到了的提高。既BZ了人们的生命财产安全
融入普通开关、插座中,具备温升感应、自动断电、报警、复位、转接、
,当用电发生异常时,只切断故障位置的电源,而不会影响其它电器的正
连接等功能。既延长了供电线路使用寿命,杜绝了电气火灾的发生,同时
,又给用户带来方便的用电环境。
型号:
D4NS-2DF
D4NS-2EF
D4NS-2FF
D4NS-3AF
D4NS-3BF
D4NS-3CF
D4NS-3DF
D4NS-3EF
D4NS-3FF
D4NS-4AF
D4SL-2NDG-D4
D4SL-2NDG-D4N
D4SL-2NDG-DN
D4SL-2PDA-D
D4SL-2PDA-D4
D4SL-2PDA-D4N
D4SL-2PDA-DN
D4SL-2PDG-D
D4SL-2PDG-D4
D4SL-2PDG-D4N
D4SL-2PDG-DN
D4SL-2QDA-D
D4SL-2QDA-D4
D4SL-2QDA-D4N
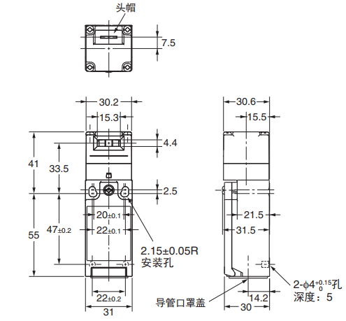
尺寸图:

D4SL-2QDA-DN
D4NS-4BF
D4NS-4CF
D4NS-4DF
D4NS-4EF
D4NS-4FF
D4NS-5AF
D4NS-5BF
D4NS-5CF
D4NS-5DF
D4NS-5EF
D4NS-9AF
D4NS-9BF
D4NS-9EF
D4NS-SK01
D4NS-SK30
D4SL-2JDG-D
D4SL-2JDG-D4
D4SL-2JDG-D4N
D4SL-2JDG-DN
D4SL-2KDG-D
D4SL-2KDG-D4
D4SL-2KDG-D4N
D4SL-2KDG-DN
D4SL-2LDG-D
D4SL-2LDG-D4
D4SL-2LDG-D4N
D4SL-2LDG-DN
D4SL-2MDG-D
D4SL-2MDG-D4
D4SL-2MDG-D4N
D4SL-2MDG-DN
D4NS-5FF
D4NS-6AF
D4NS-6BF
D4NS-6CF
D4NS-6DF
D4NS-6EF
D4NS-6FF
D4NS-7AF
D4NS-7BF
日本OMRON欧姆龙安全门开关D4NS-4BF用途
021-39526589
网址:www.qiant.net
地 址:上海市嘉定区嘉涌路99弄
6号楼713室