德国AVENTICS安沃驰压力调节器
工业缓冲器
环境温度范围 -20 ... 80 °C
介质 机油
固定 锁母
重量 见下表
材料
气缸管子 钢, 盐浴氮碳共渗
活塞杆 不锈钢, 打磨和硬化

活塞杆的密封件 聚氨酯, 丙烯树胶
锁母 钢, 盐浴氮碳共渗
固定环 聚甲醛, 聚氨酯, 钢
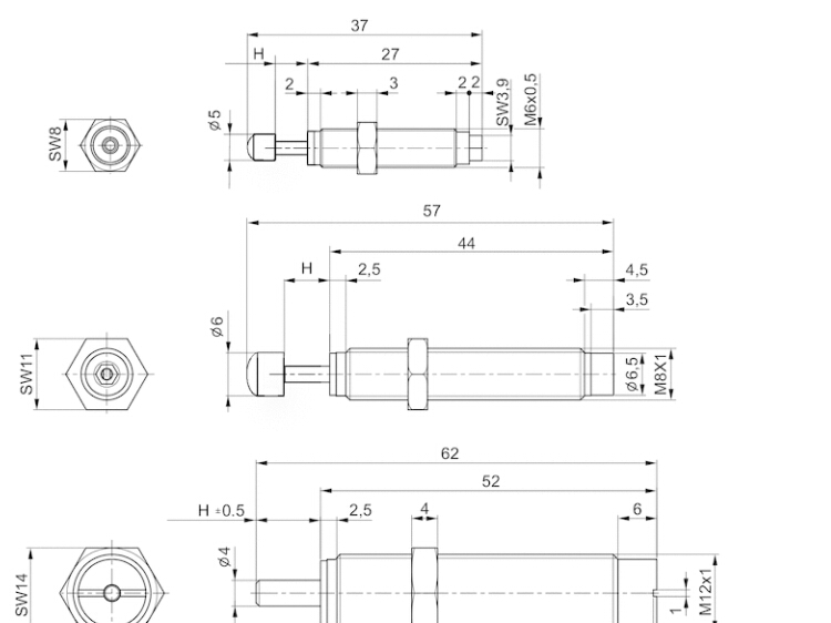
规格
适用于 MSC-12-HM, MSC-16-HM, MSC-20-HM
缓冲 自动补偿
固定 锁母
固定螺纹 M8x1, M12x1
SA2-MS
气缸管子 钢, 盐浴氮碳共渗
活塞杆 不锈钢, 淬火的
活塞杆的密封件 聚氨酯, 腈-丁二烯-橡胶
固定环 聚甲

德国AVENTICS安沃驰压力调节器