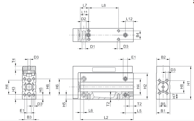
较大速度 0,5 m/s 0,8 m/s 0,8 m/s
缓冲能量 0,01 J 0,05 J 0,15 J
压力露点必须至少于环境和介质温度 15 °C ,并且允许 的较高温度为 3 °C 。
压缩空气的油含量必须在整个使用寿命中保持不变。
只可使用经过 AVENTICS 公司许可的油。详细信息请参见文档“技术信息”(MediaCentre 中获取)。
外壳 铝材, 阳极氧化处理
活塞杆 不锈钢
工作压力范围 见下表
环境温度范围 0 ... 60 °C
介质 压缩空气
颗粒大小 max. 5 µm

压缩空气中的含油量 0 ... 1 mg/m³
确定活塞推力的压力 6.3 bar
重量 见下表
伸出活塞力,理论 18 N 49 N 127 N
密封 聚氨酯
导向台 铝材, 阳极氧化处理
导轨 钢, 淬火的
活塞- Ø 2x 6 mm 10 mm 16 mm
接口 M5 M5 M5
工作压力范围 2,5 ... 10 bar 1 ... 10 bar 1 ... 10 bar
缩回活塞力,理论 13 N 42 N 95 N

021-39526589
网址:www.qiant.net
地 址:上海市嘉定区嘉涌路99弄
6号楼713室