日本YUKEN叶片泵
这些高压高性能泵的开发旨在满足节省空间的要求。这些泵是PV2R4的一个非常紧凑的版本,PV2R4是一种叶片泵系列,已被证明具有出色的噪音特性。
这些双泵采用新型PV2R4A系列泵,适用于大容量侧,这一特性允许将电池放电至单独的电路。
单泵
这些泵广泛用作液压动力源。它们结合了稳定的性能和坚固的结构以及广泛的交付率。(50T)
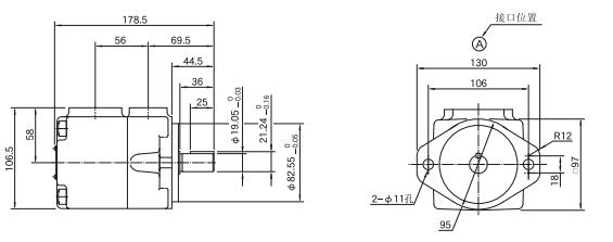
双泵
由共用轴驱动的两个单泵具有两个排出口,因此输出流可以供给单独的回路。

(5050T,50150T,150150T,50250F,150250F)
组合泵
由双泵组成,带有两个安全阀,或一个安装和一个卸载和止回阀,安装在一个共同的壳体内。每个泵的压力可以独立调节。可以进行远程控制或高压双压控制。
(5050CT,50150CT,5050CT,50150CT)
这些双泵包括两个PV2R系列单泵,它们在一个壳体内串联组合,并由一个共用轴驱动。提供单个吸入口和两个排出口,使得输出流可以供应到单独的回路。
日本YUKEN叶片泵

021-39526589
网址:www.qiant.net
地 址:上海市嘉定区嘉涌路99弄
6号楼713室