施迈赛松绳开关EX-T. 441-11Y-14-1276-2特点
企业QQ:2880626087
手机: 15308020014
电话: 028-84634436-8004
传真: 028-84634436-8007
邮箱: 15308020014@163.com
联系人:王倩
技术数据:
小电缆截面 1.5 mm²
- 较大电缆截面 2.5 mm²
AWG编号 13
- 较环境温度 −20 °C
开启者数量 1 件
额定冲击耐压 Uimp 6 kV
额定绝缘电压 Ui 400 V
热测试电流 Ithe 16 A
- 较高环境温度 +60 °C
防护等级 IP65, IP66 和 IP67 根据IEC/EN 60529
作用原理 机械的
机械寿命 10.000.000 操作次数
开关频率 max. 3000 /h
注意 所有的电缆截面表示包括了导线和线耳
实物图:

型号:
ZV1H 235-11Z
ZV7H 235-02Z
ZV7H 235-11Z
T1R 255-11Z
T4K 255-02Z
T4K 255-11Z
T4R 255-02Z
T4R 255-11Z
T4S 255-02Z
T4S 255-11Z
Z4S 255-11Z
ZK 255-11Z
ZK4 255-02Z
ZK4 255-11Z
ZR 255-02Z
ZR 255-11Z
ZS 255-02Z
ZS 255-11Z
ZV10H 255-11Z
ZV12H 255-11Z
ZAF 235-11Z
ZK 235-02Z
ZK 235-11Z
ZK4 235-02Z
ZK4 235-11Z
ZR 235-02Z
ZR 235-11Z
ZS 235-02Z
ZS 235-11Z
ZV10H 235-02Z
ZV10H 235-11Z
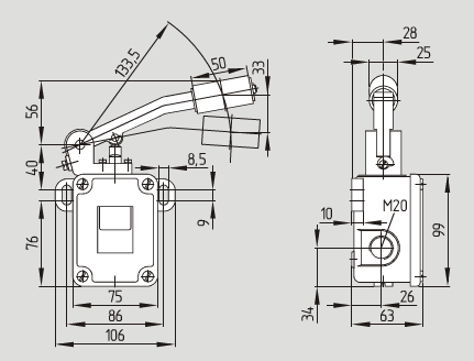
尺寸图:

ZV12H 235-02Z
ZV12H 235-11Z
ZV14H 235-02Z
ZV14H 235-11Z
ZV1H 235-02Z
ZV14H 255-11Z
ZV1H 255-11Z
ZV7H 255-11Z
T1K 336-02Z
T1K 336-11Z
T1K 336-11ZUE
T1K 336-20Z
T3K 336-02Z
TK 255-02Z
TK 255-11Z
TK 255-20Z
TK4 255-11Z
TK4 255-20ZH
TR 255-02Z
TR 255-02ZH
TR 255-11Z
TR 255-20ZH
TS 255-02Z
TS 255-11Z
TS 255-20Z
TS 255-20ZH
TV12H 255-20Z
TV1H 255-11Z
TV7H 255-02Z
TV7H 255-11Z
Z1R 255-11Z
Z4K 255-11Z
Z4R 255-11Z
施迈赛松绳开关EX-T. 441-11Y-14-1276-2特点
021-39526589
网址:www.qiant.net
地 址:上海市嘉定区嘉涌路99弄
6号楼713室