CKD排气过滤器基本规格4F310E-TP-X
(3) 选定能处理过 1.4 倍空气消费量的流 量的机种。
下图为乘以 1.4 倍后各规格的气缸的空气消费 量。请在选定机种时利用。
排气清洁器可以根据使用回路中的空气消费量 进行选定。
(1) 计算使用气缸的空气消费量。
2) 将计算出来的空气消费量乘以 1.4 倍
外壳中的油在到达滤芯之前必须打开冷凝水截止阀排放出去。
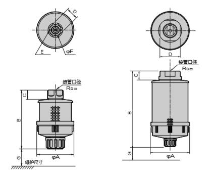
(3)配管时抓住适配件组件 , 不要对外壳施加负荷 , 旋入。
(4)背压达到 0.1MPa 以上时请交换滤芯组件。
2 外壳连接冷凝管时 , 必须遵守以下事项 : (1)取下冷凝水截止阀。
(2)R1/8 外螺纹的 half 管接头请使用旋入型树脂管配管。



CKD排气过滤器基本规格4F310E-TP-X
021-39526589
网址:www.qiant.net
地 址:上海市嘉定区嘉涌路99弄
6号楼713室