企业QQ:2880626087
手机: 15308020014
电话: 028-84634436-8004
传真: 028-84634436-8007
邮箱: 15308020014@163.com
联系人:王倩
技术信息:
实用原则 双作用式
缓冲 弹性
缓冲 设置已确定
环境温度范围 -20 ... 80 °C
气缸管子 不锈钢
活塞杆 不锈钢
活塞杆螺纹 M10x1,25
行程 80 mm
防尘圈 聚氨酯
导向衬套 钢
工作压力范围 1 ... 10 bar
活塞 铝材
介质温度范围 -20 ... 80 °C
磁性销钉 带磁性活塞
活塞直径 32 mm
实物图:

种类:
气压传动中将压缩气体的压力能转换为机械能的气动执行元件。气缸有做
封xn好,但行程短。
冲击气缸:这是一种新型元件。它把压缩气体的压力能转换为活塞高速
往复直线运动的和做往复摆动两种类型(见图)。做往复直线运动的气缸又可
分为单作用气缸、双作用气缸、膜片式气缸和冲击气缸4种。
塞产生推力伸出,靠弹簧或自重返回。
单作用气缸:仅一端有活塞杆,从活塞一侧供气聚能产生气压,气压推动活
双作用气缸:从活塞两侧交替供气,在一个或两个方向输出力。
膜片式气缸:用膜片代替活塞,只在一个方向输出力,用弹簧复位。它的密
(10~20米/秒)运动的动能,借以做功。
型号:
5813590440
5813590450
5813590530
5813590540
5813590650
5813591190
5813593440
5813593450
5813593530
5813593540
5813593650
5813600000
5813610000
5813610100
5813610200
5813610300
5813610400
5813610500
5813610600
5813523300
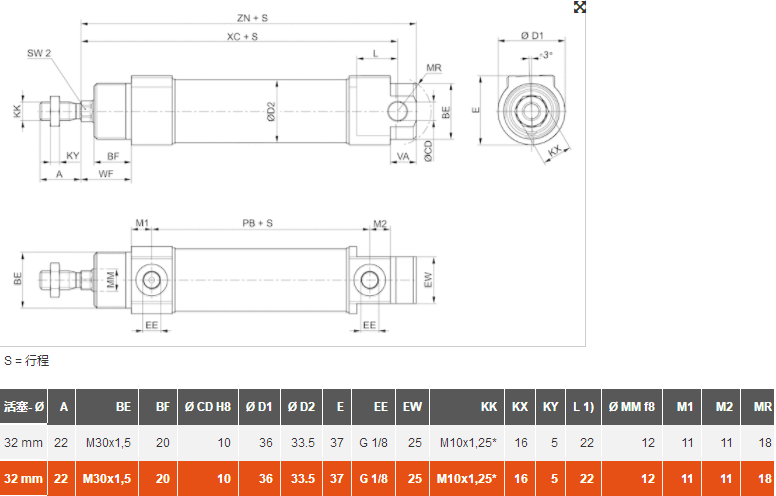
尺寸图:

5813523400
5813523500
5813523600
5813523710
5813523720
5813530000
5813531000
5813540000
5813541000
5813580000
5813581000
5813590190
5813590430
5813610710
5813610720
5813591430
5813591440
5813591450
5813591530
5813591540
5813591650
5813592190
5813592430
5813592440
5813592450
5813592530
5813592540
5813592650
5813593190
5813593430
021-39526589
网址:www.qiant.net
地 址:上海市嘉定区嘉涌路99弄
6号楼713室