安沃驰AVENTICS二位三通换向阀0820408001性能特点

技术信息:
换向原理 3/2
结构特点 提动阀
操作元件 冲杆
结构特点 提动阀
操作 机械式
换向原理 3/2
工作压力范围 0 ... 10 bar
较 / 较高环境温度 -30 ... 80 °C
介质温度范围 -30 ... 80 °C
外壳 铝材
密封件材料 丙烯树胶
实物图:

安装及调整:
安装前应核对阀门性能与使用工况是否相符。
安装前应清洗阀门内腔和密封面,不允许有杂物、污物存于腔内。
本阀不允许承受拉伸、扭曲等外力。
安装前应检查阀门各部分连接栓有无松动,各转动部件转动是否灵活维护
保养及使用:
本阀应保存在干燥处,不得露天堆放,阀门的进出口应密封,不准在阀板
本阀户外安装时,用户应现场采取防雨、防尘及隔热措施。
定期检查各运动部件转动是否灵活,各部位螺丝有无松动,发现问题及时
上堆放重物 不能受冲击。
搬运及存放时应使阀门处于关闭状态,长期存放应注意防潮。
解决后方可 继续使用。
型号:
5814523300
5814523400
5814523500
5814591430
5814591440
5814591450
5814591530
5814591540
5814591650
5814592190
5814592430
5814592440
5814592450
5814592530
5814592540
5814592650
5814593190
5814593430
5814521000
5814521100
5814521200
5814521300
5814521400
5814521500
5814521600
5814522000
5814522100
5814522200
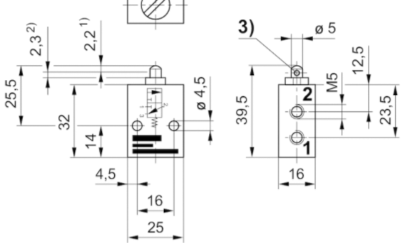
尺寸图:

5814522300
5814522400
5814522500
5814522600
5814523000
5814523100
5814523200
5814593440
5814593450
5814593530
5814593540
5814523600
5814530000
5814531000
5814580000
5814581000
5814590190
5814590430
5814590440
5814590450
5814590530
5814590540
5814590650
5814591190
021-39526589
网址:www.qiant.net
地 址:上海市嘉定区嘉涌路99弄
6号楼713室