BURKERT宝德273614套筒安装式电磁阀YS佳

特征:
紧凑型结构,排列间距11 mm
额定宽度从0.5毫米(9巴)到1.2毫米(1.5巴)
高使用寿命和性
电功率消耗,以及可以选择ATEX Ex ia规格。
结构具有较佳可集成性
实物图:

选型注意:
根据持续工作时间长短来选择:常闭、常开、或可持续通电
当电磁阀需要长时间开启,并且持续的时间多于关闭的时间应选 用常开型
选可长期通电型。
根据环境要求选择辅助功能:防爆、止回、手动、防水雾、水淋、潜水
要是开启的时间短或开和关的时间不多时,则选常闭型;
但是有些用于安全保护的工况,如炉、窑火焰监测,则不能选常开的,应
技术参数:
阀门直径 0.65 毫米
媒体分离 没有
QNn值(气体) 6.5 升/分钟
线圈类型 一直整合
线圈绝缘材料类(外壳) 金属
电池电压 是
较温度环境 -10 C
较高温度环境 55 C
阀门材料2介质接触 PA(聚酰胺)
阀门材料3介质接触 不锈钢
温度较 -10 C
较高温度中等 55
线圈绝缘材料(外壳) 不锈钢
线圈布线LED 没有
标称压力小 -0.8 酒吧
公称压力较大值 6
型号:
121991
122009
122013
122040
122060
122086
122089
122579
122587
122597
122621
122622
122630
122632
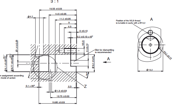
尺寸图:

122648
122724
122725
122736
122745
122746
122762
122787
122789
122798
122799
122803
122804
122148
122149
122152
122158
122165
122202
122206
122210
122233
122283
122289
122320
122327
122363
122373
122385
122424
122428
122429
121823
121824
121831
121844
121858
121859
121882
121886
121893
121903
121912
121928
121936
121941
121944
121953
121965
122433
122446
122450
122452
122453
122464
122502
122507
122530
122531
BURKERT宝德273614套筒安装式电磁阀YS佳
021-39526589
网址:www.qiant.net
地 址:上海市嘉定区嘉涌路99弄
6号楼713室