
特征:
质量:较大减轻22%(和RS1H系列相比)
缸筒:较大缩短9 mm (RS2H63-30行程)
可平稳地停止托架
带液压缓冲器的止动气缸
实物图:

警告:
机种选定注意事项
空气压气缸的适合性,应该由使用空气压气缸装置的设计者或者决定产品
规格的人员来判断。
请在规格范围内使用。
若出规格范围使用会对止动气缸造成较大的冲击、振动,导致产品损坏
请考虑到动力源发生故障的可能性。
以空气压、电压、电、油压等作为动力控制的装置,请确保当动力源发生
故障时,不会对人体或设备造成伤害。
请确保气缸动作不会对人
气缸的机械滑动部动作不畅引起力的变化时,可能会产生冲击性动作 ,可
能会产生冲击性动作。
这种情况下,可能会发生手足夹伤或者机器设备本身的损害。
请考虑到紧急停止时的对策。
人为急停或者停电等系统故障时,安全装置启动引起机械设备停止,此时
因此,请调整机器设备使其顺畅运转并避免人体伤害。
对人体可能造成危险时,请安装保护罩 ,请安装保护罩。
被驱动物体和气缸的可动部分可能对人体造成伤害时,应采用人体无法直
接接触的构造设计。
请确保气缸固定部和连接部切实连接不松动。
特别是在动作频繁、振动较多的场合使用气缸时,请采用的连接方法
体以及设备装置造成损害。
型号:
RS1H50-30DM
RS1H50-30DM-D
RS1H50-30DM-DC
RS1H50-30DM-DS
RS1H50-30DM-P
RSA50-30TM
RSA50-30TM-C
RSA50-S5024-30
RSA50-S5570-30
RSA50-S5907-30
RSA50-30TL
RSA50-30TL-D
RSA50-30TL-DC
RSA50-14BS1812
RSA50-30TM-D
RSA50-30TM-DC
RSA50-30TM-X721
RSA50-S4496-30
RSA50-09AS1812A
RSA50-14AS1812
RSA50-30DM-D
RS1H50-30DM-S
RS1H50-30DM-SQ
RS1H50-30TL
RS1H50-30TL-C
RS1H50-30TL-D
RS1H50-30TL-DC
RS1H50-30TM
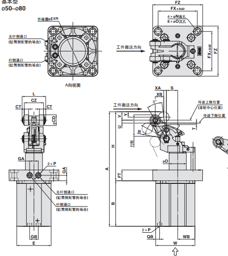
尺寸图:


RS2H50-30TM-D
RS2H50-30TM-DC
RS2H50-30TM-DCS
RS2H50-30TM-DQ
RS2H50-30TM-D-X2700
RS2H50-30TM-R
RS2H50-30TM-S
RS2H50-30TM-SQ
RS2H50-30TM-X2700
RS2H50-30TM-X2701
RS2H50A-30DL
RS2H50A-30DM
RS2H50A-30DM-D
RSA50-23DS1812
RSA50-30BL
RSA50-30BL-D
RSA50-30BL-D-X721
RSA50-30BL-X721
RSA50-30BM
RSA50-30BM-C
RSA50-30BM-D
RSA50-30BM-DC
RSA50-30BM-D-X721
RSA50-30DL
RS1H50-30TM-C
RS1H50-30TM-D
RS1H50-30TM-DC
RS1H50-30TM-DCS
RS1H50-30TM-S
RS2H50-30BL
RS2H50-30BL-D
021-39526589
网址:www.qiant.net
地 址:上海市嘉定区嘉涌路99弄
6号楼713室