质保期一年的SMC双联气缸CXSM25-40

注意:
关于管道
如图1所示,为每个操作方向提供2个供电端口。
请根据使用条件改变插头的位置,请使用。
但是,请确认更换后插头部分是否漏气。 如果仍有少量泄漏,请拔下插头一次
请检查座椅表面并重新组装或安排以下插头并重新组装。
插头产品编号:(φ6)CXS 10 - 08 - 28747 A.
φ10至φ20)CXS 20 - 08 - 28749
φ25至φ32)CYP025-08B29449(Rc1 / 8)
拆卸和维护
请勿取下板。
在拆下顶板的内六角螺栓的情况下,需要固定活塞杆并防止旋转,
在这种情况下,在活塞杆的滑动部分上刮擦等可能导致故障。
如果你需要一个盘子,请考虑-X593系列。
板和外壳之间请小心。
请小心,因为在气缸操作过程中手指和手可能会被夹住并损坏。
CXS 25 - 08 - A 3025 A(NPT 1/8)
CXS 25 - 08 - A 3911(G 1/8)
配管时,用清洁空气彻底连接冲洗管和配件。
实物图:

常见故障:
汽缸螺栓的紧力不足或是螺栓的材质不合格。汽缸结合面的严密性主要靠
螺栓的紧力来实现的。机组的起停或是增减负荷时产生的热应力和高温会
当气缸出现内、外泄漏时,应重新调整活塞杆的中心,以活塞杆与缸
筒的同轴度;须经常检查油雾器工作是否,以执行元件润滑良好;当
造成螺栓的应力松弛,如果应力不足,螺栓的预紧力就会逐渐减小。如果
的现象。
汽缸螺栓紧固的顺序不正确。一般的汽缸螺栓在紧固时是从中间向两边同
时紧固,也就是从垂弧较大处或是受力变形较大的地方紧固,这样就会把
汽缸的螺栓材质不好,螺栓在长时间的运行当中,在热应力和汽缸膨胀力
的作用下被拉长,发生塑性变形或断裂,紧力就会不足,使汽缸发生泄漏
变形较大的处的间隙向汽缸前后的自由端转移,然后间隙渐渐消失。如果
起蒸汽泄漏。
气缸出现内、外泄漏,一般是因活塞杆安装偏心,润滑油供应不足,密封
圈和密封环磨损或损坏,气缸内有杂质及活塞杆有伤痕等造成的。所以,
是从两边向中间紧,间隙就会集中于中部,汽缸结合面形成弓型间隙,引
密封圈和密封环出现磨损或损环时,须及时更换;若气缸内存在杂质,应及
时;活塞杆上有伤痕时,应换新。
型号:
CXSL25-10/
CXSL25-15/
CXSL25-20/
CXSL25-25/
CXSL25-30/
CXSL25-35/
CXSL32-15/
CXSL32-20/
CXSM25-80/
CXSM25-90/
CXSM25-100/
CXSM10-20/
CXSM10-25/
CXSM10-30/
CXSM10-35/
CXSM10-40/
CXSM10-45/
CXSM10-50/
CXSM10-60/
CXSM10-70/
CXSM10-75/
CXSM15-10
CXSL25-40/
CXSL25-45/
CXSL25-50/
CXSL25-60/
CXSL25-70/
CXSL25-75/
CXSL25-80/
CXSL25-90/
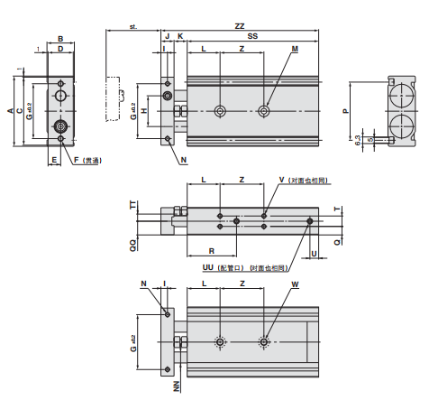
尺寸图:


CXSL25-100/
CXSL32-10/
CXSM15-15/
CXSM15-20/
CXSM15-25/
CXSM15-30/
CXSM32-75/
CXSM32-80/
CXSM32-90/
CXSM32-100
CXSL32-25/
CXSL32-30/
CXSL32-35/
CXSL32-40/
CXSL32-45/
CXSL32-50/
CXSL32-60/
CXSL32-70/
CXSL32-75/
CXSL32-80/
CXSM15-35/
CXSM15-40/
CXSM15-45/
CXSM15-50/
CXSM15-60/
CXSM15-70/
CXSM15-75
CXSM32-10/
CXSM32-15/
CXSM32-20/
CXSM32-25/
CXSM32-30/
CXSM32-35/
CXSM32-40/
CXSM32-45/
CXSM32-50/
CXSM32-60/
CXSM32-70/
CXSL32-90/
CXSL32-100
质保期一年的SMC双联气缸CXSM25-40
021-39526589
网址:www.qiant.net
地 址:上海市嘉定区嘉涌路99弄
6号楼713室