
特征:
3通阀和5通阀可混合安装
消耗功率: 0.1 W (带节电回路)
集装式可选项众多,例如:铝阀体,DIN导轨,组合式集装式
集装式型号:
公司简介:
时至今 日,SMC已成为的气动元件研发、制造、销售商。在日本本
SMC产品以其品种齐全、性高、经济耐用、能满足众多领域不同用户
的需求而闻名于世。在日本已过60%的SMC,通过分布于世
土更拥有庞大的市场网络,为客户提供产品及售后服务。SMC作为世界
的气动元件制造和销售的跨国公司,其销售网及基地遍布世界。
界51个国家的海外子公司及分销商,将世界各国SMC产品的、销售连
成一体,为用户提供直接、完善的服务。
实物图:

注意事项:
关于过电压的
无极性型的电磁阀在异常停止等负载供给电源紧急切断时,从容量(消耗电
力)大的一侧会发生过电压的回流现象。在非通电状态下电磁阀也可以切换
拆卸元件。且,使用 3 位中封式电磁阀时,电磁阀与气缸之间会有压缩空
气残留,同样需要进行残压释放。元件更换或再安装之后重新启动时,先
收过电压的二极管
⑦用于吹气的场合
电磁阀用于吹气场合时请使使用外部先导式。请注意当内部先导、外部先
。(图 1)设置负载供给电源的切断回路时,请使用带极性的电磁阀(带逆接
防止二极管)或者在負荷元件的 COM 侧和输出元件的 COM 侧之间设置吸
影响。给外部先导口供给已规定压力范围的压缩空气,使用双电控型在进
行吹气时,吹气时请保持通电
元件的拆卸及压缩空气的给・ 排气
在确认被驱动物体已进行了防止落下和防止暴走处置之后,切断供给空气
和电源,气动系统内部的残存压力通过残压释放机构已被排空之后,才能
导在同一集装板内使用时,吹气有可能导致压力下降、对内部先导阀造成
确认气动执行元件已进行了防止飞出处置后,再确认元件能否正常作动。
型号:
SY5220-1DZD-01
SY5220-1GZ-C6
SY5220-1GZ-C8
SY5220-1H-01
SY5220-1L-C8
SY5220-1LOZ-C6
SY5220-1LOZD-C6
SY5220-1LZE-01
SY5220-1M-C6
SY5220-2GZE-01
SY5220-2LOZ-01
SY5220-2LZ-01
SY5220-2LZ-C8
SY5220-3DD-01
SY5220-4DZ-C6
SY5220-4DZ-C6-Q
SY5220-4DZ-C8
SY5220-4DZ-C8-Q
SY5220-4DZD-01
SY5220-4DZD-C6
SY5220-4DZD-C8
SY5220-4GD-01
SY5220-4GD-C6
SY5220-4GD-C8
SY5220-5DZ-C6
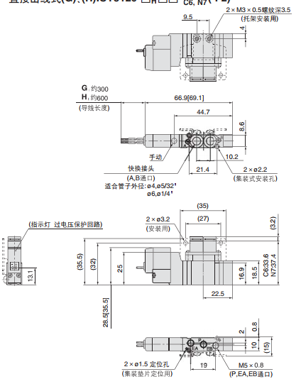
尺寸图:

SY5220-5DZ-C8
SY5220-5DZ-C8F-Q
SY5220-5DZD-01
SY5220-5DZD-01-Q
SY5220-5DZD-C4
SY5220-5DZD-C6
SY5220-5DZD-C8
SY5220-5DZE-01
SY5220-5DZE-C8
SY5220-5G-01
SY5220-5G-01-Q
SY5220-5GB-01
SY5220-5G-C4
SY5220-4GZ-01
SY5220-4GZ-C6
SY5220-4L-01
SY5220-4LD-01
SY5220-4LOZ-01
SY5220-4LZ-01-S
SY5220-4LZD-01
SY5220-4LZD-C4
SY5220-4LZD-C6
SY5220-4LZD-C8
SY5220-4LZE-01
SY5220-5D-01
SY5220-5D-C6
SY5220-5D-C8
SY5220-5DD-01
SY5220-5DD-C6
SY5220-3DZ-01
SY5220-3DZ-C6
SY5220-3DZ-C8
SY5220-3DZD-01
SY5220-3DZD-C6
SY5220-3GD-01
SY5220-3GD-C6
SY5220-3LZ-01
SY5220-3LZD-01
SY5220-3LZD-C4
021-39526589
网址:www.qiant.net
地 址:上海市嘉定区嘉涌路99弄
6号楼713室