适用于带有NAMUR接口的单作用和双作用执行机构
6mm通径(ND)
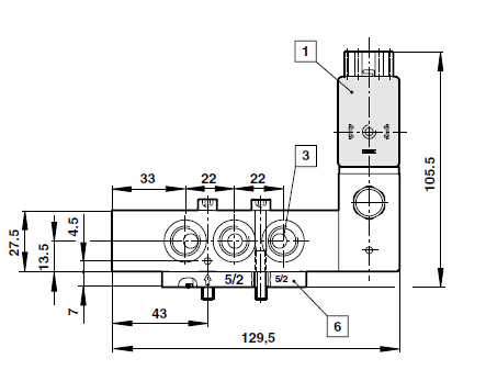
3/2, 5/2, 5/3, NC/APB, G¼, ¼NPT
标准电压24V DC,230V AC。其他电压根据用户需要提供。设计符合DE 0580, EN 50014/50028。
1)类别II2 GD,EC类检测 KEMA 02 ATEX 1347X
2)类别II2 GD,EC类检测 KEMA 98 ATEX 4452X
3)类别II2 GD,EC类检测 PTB 02 ATEX 2085X
4)CSA-LR 57643-6,FM认可,适用于危险位置:1和2区,I、II、III级
5)DC所需接头:型号0570275。只能用DC操作阀。对于230V AC应用,请使用200V DC线圈和整流
器接头0663305。接头没有在供货范围中。
6)电缆密封套没有在供货范围中,请参见"附件"表
7)当安装了一个特殊防护装置(比如,电柜安装)时可适用于室外安装
8)电磁线圈带有一个适宜额定值的保险丝。

电缆密封套包括在供货中。
当选择了一个本安型电源时,根据合格证明上面而定的较大允许值应该被计算在内,另一方面,影响较小的电感性负载可以被忽略。
3/2-,5/2-和5/3-先导控制阀,适用于50mW/5mW防护等级EEx ia II CT4/6的线圈
阳极氧化铝阀体
带有DIN 3845 NAMUR接口的3/2定向阀/98.11:法兰表面有接口尺寸P和辅助供气
先导空气(1),仅对应于带有注意"P接口在法兰接口中"的阀
气口2(A)
带螺纹代码定位销
M5(深度10)
气口3(R)
外部供气,仅对应于带有注意"P接口在法兰接口中"的阀
通过切换封闭转接器板可以达到3/2通功能。确保标记和箭头如上图所示匹配。
出厂配置:5/2通功能(附3/2转换板)。

021-39526589
网址:www.qiant.net
地 址:上海市嘉定区嘉涌路99弄
6号楼713室