选型分类,康茂盛E系列气控阀和电磁阀
二位五通(单稳,双稳),三位五通(中封,中泄,中压)
规格 10.5
管式连接或板式连接
E系列气控阀和电磁阀具有流量大、
体积小的特点,规格 10.5 mm。
该系列气控阀和电磁阀有两种阀体
形式:管式连接和板式连接。
管式连接
的阀可单独使用,也可以安装于气路板上成组使用;
板式连接的阀需选配单阀座或气路板成组使用。
注:电磁阀用插座需单独订购。
综合参数
结构形式 滑阀型
阀位机能 二位五通,三位五通 [中封,中泄,中压]
材料 铝阀体、阀芯和气路板,工程塑料端盖,丁腈橡胶密封件
接口 M5
工作温度 0 ÷ 50°C
介质 经过滤的压缩空气(过滤精度 5 µm 或更小),无需油雾润滑。
如果使用油雾润滑,应不间断地使用油雾润滑(TJ使用 ISO VG32 润滑油)
电压 见代号一览
电压允差 ± 10%
功率消耗 1 W
绝缘等级 F
防护等级 IP50
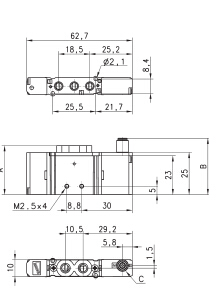
规格 10.5 二位五通气控阀(单稳式)
注:先导压力不应于工作压力。
规格 10.5 二位五通气控阀(双稳式)
尺寸表
型号 A B C 接口 1-3-5 接口 2-4 小先导压力(bar) 工作压力(bar) 公称流量(Nl/min)
E521-33 29 33.4 Ø 3 M5 M5 1 -0.9 ÷ 7 200
E521-C33 29 39.1 Ø 4 M5 M5 1 -0.9 ÷ 7 200
用于管式连接的阀。
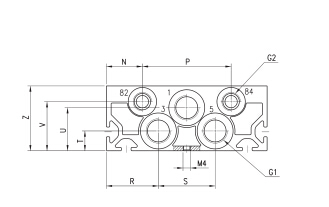
此类型气路板带有公共进气口 1 和公共排气口 3
和 5(见下图中 G1 尺寸),另有两个公用的先导排
气口 82 和 84(见下图 G2 尺寸),也可按用户要求
提供带外部先导供气口 G3 的气路板。

气路板安装支架
用于安装在 DIN EN 50022(7.5x35x1)导轨上。
注:一对安装支架和 2 个安装螺钉配套供应。
阀用水平安装支架
适用于管式连接的阀。
注:与 2 个安装螺钉配套供应。
阀用垂直安装支架
适用于管式连接的单稳式阀。
注:与 2 个安装螺钉配套供应。

气路遮盖板
适用于管式连接阀的气路板。
注:与 2 个安装螺钉和 1 个接口密封垫配套供应。
适用于板式连接阀的气路板。
注:与 2 个安装螺钉和 1 个接口密封垫配套供应。
选型分类,康茂盛E系列气控阀和电磁阀

021-39526589
网址:www.qiant.net
地 址:上海市嘉定区嘉涌路99弄
6号楼713室