BANNER邦纳LH80IX485QP激光测距传感器

技术数据:
传感模式(详细)三角测量
外壳样式矩形
主要外壳材料铝
激光分类2级
指示器(多个)LED
模拟输出配置4-20 mA
IP等级IP67
储存温度(°C)-10至80
较高工作温度(°C)45
较工作温度(°C)-10
Max Op。 相对湿度在45℃下非冷凝(%)85
模拟分辨率/离散重复精度10μm
较大传感距离(mm)200
小传感距离(mm)100
实物图:

:
设备定位。
测量料包的料位。
测量传送带上的物体距离和物体高度。
测量原木直径。
保护高架起重机免于碰撞。
无误差检查场合。
不能用的场合:
①待测目标与传感器的换能器不相垂直的场合。因为声波检测的目标
⑥温度梯度较大的场合。因为这种情况下会造成声速的变化。
⑦需要快速响应的场合。
必须处于与传感器垂直方位偏角不大于10°角以内。
②需要光束直径很小的场合。因为一般声波束在离开传感器2m远时直径为0.76cm。
③需要可见光斑进行位置校准的场合。
④多风的场合。
⑤真空场合。
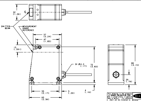
尺寸图样:

BANNER邦纳LH80IX485QP激光测距传感器
021-39526589
网址:www.qiant.net
地 址:上海市嘉定区嘉涌路99弄
6号楼713室