
真实数据:
电源电压 DC12-10%~24V+15% (波纹(p-p)5%以下)
消耗电流 DC70mA以下
起动转矩 常温时: 10mN.m以下
温时: 30mN.m以下
惯性力矩 2.3×10**-6 kg.m**2 以下
较大轴负载 径向: 80N
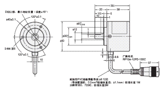
连接方式 导线引出型 (导线长: 1m)
材质(本体) 铝
材质(外壳) 铝
材质(轴) SUS303
质量(包装后) 约300g
轴向: 50N
允许较高转速 5000r/min
环境温度范围 使用时: -10~70℃
保存时: -25~85℃
分辨率 360P/R
浪涌电流 约6A (时间: 0.8ms)
实物图:

安装使用:
型旋转编码器的机械安装有高速端安装、速端安装、辅助机械装
速端安装:安装于减速齿轮后,如卷扬钢丝绳卷筒的轴端或然后一节
置安装等多种形式。
高速端安装:安装于动力马达转轴端(或齿轮连接),此方法是分辨率
高,由于多圈编码器有4096圈,马达转动圈数在此量程范围内,可充
齿轮间隙误差,一般用于单向控制定位,例如轧钢的辊缝控制。
另外编码器直接安装于高速端,马达抖动须较小,不然易损坏编码器。
分用足量程而提高分辨率,缺点是运动物体通过减速齿轮后,来回程有
减速齿轮轴端,此方法已无齿轮来回程间隙,测量较直接,精度较高,
此方法一般测量长距离定位,例如各种提升设备,送料小车定位等。
型号:
E32-CC300
E32-DC300
E2Q2-N20E1-H BY OMG
E2Q2-N20E3-H BY OMG
E2Q2-N30ME3-H BY OMG
E2Q2-N30MY4-H BY OMG
E2Q2-N20E3-U
E2Q2-N30MF3-U
E2K-X4MF1
E2K-X4MF2
E2K-X15MF1
E2K-X15MF2
E2A-M30KN20-WP-B1 2M
E2A-M12LN08-M1-B1
E2A-M12LN08-M1-C1
E2A-M12LN08-WP-B1 2M
E2A-M12LN08-WP-B1 5M
E2A-M12LN08-WP-C1 2M
E2A-M12LS04-WP-B1 2M
E2A-M12LS04-WP-B1 5M
E2A-M12LS04-WP-B2 2M
E2A-M12LS04-WP-C1 2M
E2A-M12LS04-WP-C1 5M
E2A-M18LN16-M1-B1
E2FQ-X5D1
E2FQ-X10D1
E2FQ-X2D1
E2FQ-X2E1
E2J-JC4A 2M
E2J-W20MA 1M
E2K-C25MY1
E2K-C25ME1
E2K-C25MF2
E2K-C25MF1 10M
E2A-M18LN16-M1-C1
E2A-M18LN16-WP-C1 2M
E2A-M18LN16-WP-C1 5M
E2A-M18LS08-M1-C1
E2A-M18LS08-WP-B1 2M
E2A-M18LS08-WP-B1 5M
E2A-M18LS08-WP-B2 2M
E2A-M18LS08-WP-C1 2M
E2A-M30LS15-M1-B1
E2A-M30LS15-M1-B2
E2A-M30LS15-WP-B1 5M
E2A-M30LS15-WP-B2 2M
E2A-M30LS15-WP-C1 2M
E2C-CR8A
E32-DC9G
E32-CC500 5M
尺寸图:

E32-TC1000
E32-DC50
E2A-M18KN16-WP-B1 2M
E2A-M30KS15-WP-B1 2M
E2A-M30LN30-WP-B1 2M
E2A-M12KS04-WP-B1 5M
E2A-M12KN08-WP-B1 5M
E2A-M18KN16-WP-B1 5M
E2A-M30KS15-WP-B1 5M
E2Q2-N30ME3-U
E2Q2-N15Y4-U
E2Q2-N30MY4-U
E2Q2-N15Y4-51
E2Q2-N15Y4-H BY OMG
E2KQ-X10ME1 2M
E2KQ-X10ME2 2M
E2K-X4ME1
E2K-X8ME1
E2K-X8ME2
E2K-X15ME1
E2K-X4MY1
E2K-X8MY1
E2A-M12KS04-WP-B2 2M
E2A-M12KN08-WP-B2 2M
E2A-M18KN16-WP-B2 2M
E2A-M30KS15-WP-B2 2M
E2A-M12KS04-WP-B2 5M
E2A-M18KS08-WP-B2 5M
E2A-M12KS04-WP-C1 2M
E2A-M18KS08-WP-C1 2M
E2FQ-X5F1
E2FQ-X10E1
E2FQ-X10Y1 5M
E2K-C20MC1 2M
E2K-C20MT1 2M
E2K-C20MT2 2M
E2K-F10MC2
021-39526589
网址:www.qiant.net
地 址:上海市嘉定区嘉涌路99弄
6号楼713室