
技术数据:
输入额定电压 DC12V
使用电压范围 DC9.6~13.2V
输入阻抗 3.6kΩ±20%
耐冲击 1000m/s**2
端子结构 插入式端子
安装方法 插座
动作电压 DC9.6V以下
2ms以下
复位电压 DC2V以上
2ms以下
绝缘方式 光电耦合器
额定负载电压 DC48~200V
环境温度范围 使用时: -30~80℃
保存时: -30~100℃
(无结冰、结露)
环境湿度范围 使用时: 45~85%RH
(无结冰、结露)
动作时间 2ms以下
负载电压范围 DC48~200V
参考图:

选型方法:
各种负载浪涌特性对固态继电器SSR的选择
被控负载在接通瞬间会产生很大的浪涌电流,由于热量来不及散发,很
护型(选择继电器应选择产品输出保护,内置压敏电阻吸收回路和RC缓冲
器,可吸收浪涌电压和提高 dv/dt耐量);也可在继电器输出端并接 RC
可能使SSR内部可控硅损坏,所以用户在选用继电器时应对被控负载的浪下)。
过流、过压保护措施
在继电器使用时,因过流和负载短路会造成SSR固态继电器内部输出可
控硅一直损坏 ,可考虑在控制回路中增加快速熔断器和空气开关予以保
涌特性进行分析,然后再选择继电器。使继电器在稳态工作前提下
能够承受这个浪涌电流,选择时可参考表2各种负载时的降额系数(常温
吸收回路和压敏电阻(MOV)来实现输出保护。选用原则是220V选用
500V-600V压敏电阻,380V时可选用800V-900V压敏电阻。
型号:
3G3RV-PFI3010-SE
3G3RV-PFI3018-SE
3G3RV-PFI3035-SE
3G3RV-PFI3060-SE
R88A-CRWA005C-DE
R88A-CRWA010C-DE
R88A-CRWA015C-DE
R88A-CRWA020C-DE
A7PH-203
A7PH-206,
A7PH-207,
A7B-M-1 -COUPLE-
A7B-C
A7B-CP
A7BL-206-1
A7BS-206-PM-1
A7BS-203-1
A7BS-206
A7BS-206S
A7BS-207
A7BS-207-S
3G3RV-PFI3170-SE
3G3RV-PFI3200-SE
R88A-CAWB003S-DE
R88A-CAWB005S-DE
R88A-CAWB010S-DE
R88A-CAWB015S-DE
R88A-CAWB020S-DE
R88A-CAWB003B-DE
R88A-CAWB005B-DE
R88A-CAWB015B-DE
R88A-CRWA003C-DE
A7CN-2M-1+
A4E-C211HS
A4E-B200VS
A4E-B200VA
A3SJ-5060
A3SJ-5803
A3SJ-8010
A3SJ-8050
A3SJ-90A1-24EG
SLL-28
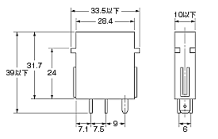
尺寸图:

R88A-CMX001S-E
R88A-CMX001J1-E
NT2S-CN222-V1
A16-E2-1
R88A-CRWB005N-E
R88A-CRWB015N-E
R88A-CRWB020N-E
R88A-CAWC003S-E
R88A-CAWC005S-E
R88A-CAWC015S-E
R88A-CAWC020S-E
R88A-CAWC003B-E
R88A-CAWC015B-E
R88A-CAWC020B-E
R88A-CAWD003S-E
SLL-28H
SLL-24EW
A3SA-5302
A3SA-5303
A3SA-7010
A3PJ-5703-24E
A3PJ-7030-1
A3PJ-7050-1
A3PJ-90C11-24EG
A3PA-5706-12E
A3PA-7010-1
A3PA-7040-1
A3PA-7070-1
A3PJ-5021
A3PJ-5050
A3PJ-5060
A3PA-5701-24E
A3PA-5702-24E
A3PA-5703-24E
A3PA-5706-24E
A3KJ-51W-24E
A3CT-7011
A3CT-7021
A3CT-7111
A3DA-500Y
A3DA-500GY
A3DA-7111
A3DA-7121
A3DJ-500W
R88A-CAWA005S-DE
R88A-CAWA010S-DE
R88A-CAWA003B-DE
R88A-CAWA005B-DE
R88A-CAWA010B-DE
R88A-CAWA020B-DE
R88A-FIW107-E
R88A-FIW115-E
R88A-FIW125-E
R88A-TC04-E
R88A-CAWD010S-E
R88A-CAWD015S-E
R88A-FIW4010-E
FCN361J048-DPACK (CONNECTOR A
3G3MV-PFI2020-E
021-39526589
网址:www.qiant.net
地 址:上海市嘉定区嘉涌路99弄
6号楼713室