BANNER邦纳Q12AP6FF50Q3光电传感器重要参数

产品介绍:
较大传感范围(mm)50
PNP输出
电源/电源电压10-30 V dc
连接尾纤QD
快速断开M8型(Pico)
IP等级IP67
感应光束波长640
上电延迟(ms)120
重复性(μs)175
针数3
Max Op。 相对湿度[%] 95%@ 50°C
镜片材料聚碳酸酯
调整N / A
筒径(mm)N / A.
LED指示灯
反对模式发射器/接收器N / A.
感应光束可见红色LED
操作灯操作
Max Op。温度。(℃)55
Min Op。温度。(℃)-20
输出响应时间(ms)0.7
特色:本质安全号
实物图:

特性:
体积小,重量轻、易升级,满足变电站小型化与紧凑型的要求,由于
光电传感器是靠传感头和电子线路进行信号的获取和处理,体积小,
变电站的占地面积,满足变电站小型化和紧凑化的要求。同时光电互
重量一般在 1000 kg以下,便于集成在AIS或GIS中,这样将大大减少
感器通过少量光缆与二次设备连接,可使电缆沟和电缆大为减。
型号:
Q20PLPQ5
Q20PLPQ7
Q20PLPQPMA
Q20PLV
Q20PLV W/30
Q20PLVQ
Q20PLVQ5
Q20PLVQ7
Q20PLVQPMA
Q20PR
Q25S2P6FF100Q
Q25S2P6FF25Q
Q25S2P6FF50Q
Q25S2P6LPQ
Q25S2P6RQ
Q25SN6FF100
Q25SN6FF100
Q25SN6FF100 W/30
Q25SN6FF100Q
Q25SN6FF100Q
Q25SN6FF25
Q25SN6FF25 W/30
Q20PRL
Q20PRLQ
Q20PRLQ5
Q20PRLQ7
Q20PRQ
Q23SN72D
Q23SN72DL
Q23SN72LP
Q23SP6CV50
Q23SP6CV50Q
Q23SP6D
Q23SP6DL
Q23SP6DLQ
Q23SP6DLQ-68013
Q23SP6DQ
Q23SP6FP
Q256E W/30'
Q256EQ
Q256EQ
Q25AW3FF100
Q25AW3FF100
Q25AW3FF100 W/30
Q25AW3FF100Q1
Q25AW3FF100Q3
Q25AW3FF100Q3
Q25AW3FF25
Q25AW3FF25 W/30
Q25AW3FF25Q1
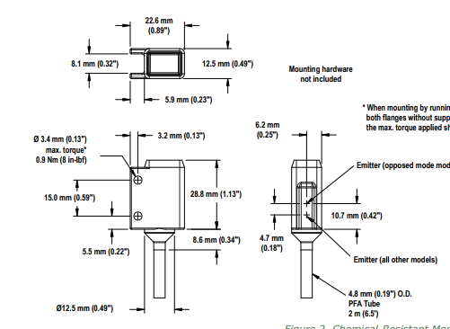
尺寸图:

Q25AW3FF50
Q25AW3FF50
Q25AW3FF50 W/30
Q25AW3FF50Q1
Q25AW3FF50Q3
Q25AW3FF50Q3
Q25AW3LP
Q25AW3LP
Q25AW3LP W/30
Q25AW3LPQ1
Q25AW3LPQ3
Q25AW3LPQ3
Q25AW3R
Q25AW3R
Q25AW3R W/30
Q25AW3RE
Q25AW3REQ1
Q23SP6FPQ
Q23SP6FPQ5
Q23SP6FPY
Q23SP6FPYQ
Q23SP6LP
Q23SP6LP W/30'
Q23SP6LPQ
Q23SP6LPQ-52009
Q23SP6LPQ-55437
Q23SP6LPQ-77266
Q23SP6R
Q23SP6R W/30'
Q23SP6RQ
Q20PRQ5
Q20PRQ7
Q236E
Q236E W/30'
Q236EQ
Q236EQ-53307
Q236EQ5-54116
Q236EQ-55466
Q25RW3FF100Q3
Q25RW3FF100Q3
Q25RW3FF25
Q25RW3FF25 W/30
Q25RW3FF25Q1
Q25RW3FF50
Q25RW3FF50
Q25RW3FF50 W/30
Q25RW3FF50Q1
Q25RW3FF50Q3
Q25RW3FF50Q3
Q25RW3LP
Q25RW3LP
Q25RW3LP W/30
Q25RW3LPQ1
Q25RW3LPQ3
Q25RW3LPQ3
Q23SN6CV50
Q23SN6CV50Q
Q23SN6D
Q23SN6DL
Q23SN6DLQ
BANNER邦纳Q12AP6FF50Q3光电传感器重要参数
021-39526589
网址:www.qiant.net
地 址:上海市嘉定区嘉涌路99弄
6号楼713室