BUSCHJOST宝硕黄铜电磁阀详解

特征:
描述: 2/2路电磁阀
设计: 差压
连接: G 1/4 - G 2
压力: 0.1 - 16巴
材料: 黄铜
实物图:

产品用途:
应用于医疗机械、太阳能、清洗设备、食品机械、燃烧器、焊接切割
号后能自动开启或关闭阀门,实现对管道中流体介质的通断或流量调
、消防安全、环保水处理、机械制造等行业。
黄铜电磁阀是工业过程自动化控制系统用的执行器,它在接受电控信
节控制,从而对系统中的温度、流量、压力等参数进行自动调节或远
程控制。
型号:
9502210000000000
9502310000000000
9502312000000000
9502432082702400
9710000304602400
9710000305002400
9710000305002450
9710032306311050
9710032306323050
9710205000000000
9710295000000000
9710505000000000
9710505076302400
9710505205000000
9710505205100000
9710505205200000
9710505420002400
9710505460002400
9710509208500500
9710515000000000
9710515076302400
9600210320502450
9602210024611050
9602340000000000
9602340370311050
9602440000000000
9600210320602450
9511402000000000
9511402080002400
9511403000000000
9511602080002400
9511603080002400
9514402000000000
9521662082702400
9600210000000000
9710000303602450
9710000303611050
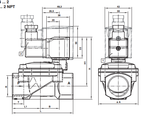
尺寸图:


9710000303623050
9603210000000000
9603210024602400
9603212000000000
9610342000000000
9710000000000000
9710000303202400
9710000303602400
9601440000000000
9710515205100000
9710515420002400
9710515420102450
9710515420123050
9710519208500500
9710535000000000
9710535076302400
9710535205000000
9710535205200000
9710535372002400
9710535420002400
9710535420111050
9600320000000000
9600322000000000
9600210320611050
9600210320623050
9600210320711050
9600210320723050
9600210421002400
9600214000000000
9600240000000000
9600240070002400
9600240370311050
9600241000000000
9600242070102400
9602210024602400
9503200000000000
9510202000000000
9511203000000000
9600330000000000
9600340000000000
9600340070002400
9600342000000000
9601430000000000
9600210020002400
9600210024602400
9600210320402450
9600210320411050
9601440080002400
9601440380311050
9601440380423050
9601540000000000
9601540080002400
9602210000000000
BUSCHJOST宝硕黄铜电磁阀详解
021-39526589
网址:www.qiant.net
地 址:上海市嘉定区嘉涌路99弄
6号楼713室