优质P+F倍加福OBT350-R100-2EP-IO光电传感器

特征:
小型设计,提供多功能安装选项
同类较佳的背景抑制器
物体检测非常精准,几乎不受颜色影响
扩展了温度范围 -40°C bis 60°C
较高的防护等级:IP69K
服务和过程数据 IO-link 接口
实物图:

技术参数:
小检测距离 5 ... 25 mm
功能显示 黄色 LED:
持续亮起 - 检测到物体
持续熄灭 - 未检测到物体
较大检测距离 5 ... 350 mm
LED 危险等级标记 免除组
黑白色差(6%/90%) < 15 % 时 350 mm
环境温度 -40 ... 60 °C (-40 ... 140 °F) , 固定电缆
-25 ... 60 °C (-13 ... 140 °F) ,可移动电缆 不适用于输送链
储存温度 -40 ... 70 °C (-40 ... 158 °F)
光斑直径 大约 20 mm 相距 350 mm
调节范围 25 ... 350 mm
工作电压 10 ... 30 V DC
纹波 较大 10 %
空载电流 < 25 mA 24V供电
参考目标物 标准白色卡,100*100
型号:
P+F传感器 NBN15-30GM50-E0
P+F传感器 NBB4-12GM50-E0-V1
P+F磁块 DM60-31-15
P+F传感器 RLK28-55/31/116
P+F传感器 MB60-12GM50-E2
P+F传感器 LFL2-CK-U-CSM5
P+F传感器 NBB8-18GM50-E0
P+F传感器 NCB15-30GM50-Z4
P+F传感器 NEB6-12GM50-E2-V1
P+F传感器 NJ15+U4+N
P+F传感器 MC60-12GM50-1N
P+F传感器 UB4000-30GM-E5-V15
P+F传感器 UB300-18GM40-E4-V1
P+F传感器 NBB20-L2-B3-V1
P+F传感器 NBB0,8-5GM25-E0
P+F编码器 RHI58N-0AAK1R61N-01024
P+F传感器 NJ10-30GM-N
P+F安装盒 EXG-30
P+F传感器 NBB5-18GM50-E2
P+F编码器 RVI58N-011K1R61N-01024
P+F传感器 NJ15-30GM-N
P+F连接线 V1-G-5M-PVC
P+F编码器 RHI90N-0HAK1R61N-01024
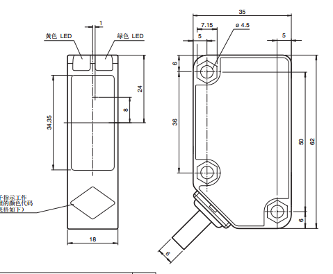
尺寸图:

P+F连接线 V1-W-5M-PVC
P+F传感器 LA31/LK31/25/31/115
P+F传感器 NBN40-L2-E2-V1
P+F传感器 KHR-C02-1,3-2,0-K92
P+F传感器 SU19/110/115/123
P+F传感器 KLE-C01-2,2-2,0-K102
P+F传感器 NBN4-12GM50-E0-V1
P+F传感器 KS11/KSE11/59/98a/103
P+F传感器 NCN15-30GM40-Z1
P+F传感器 UB2000-F42-I-V15
P+F编码器 PVS58I-011AGR0BN-0013
P+F传感器 GLV12-8-200/37/40b/92
P+F连接线 V11-W-5M-PVC
P+F传感器 OBE10M-18GM60-SE5
P+F支架 MH 04-2681F
P+F传感器 NBB1,5-F79-E0
P+F传感器 NJ5-18GM-N
P+F传感器 CBB4-12GH70-E0
P+F传感器 NJ10-30GM50-E2-V1
P+F连接线 V1-G-N-10M-PUR
P+F传感器 GLV18-6-4594
优质P+F倍加福OBT350-R100-2EP-IO光电传感器
021-39526589
网址:www.qiant.net
地 址:上海市嘉定区嘉涌路99弄
6号楼713室