日本CKD单体阀,4SB029-00-C-3
●适应缸径:ф16~ф100
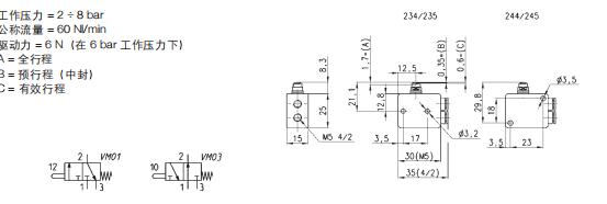
详解:
注1:(A)是单电控类型的场合成为A4F010。
注2:(A)4F0·4F1·4F2·4F3的配管气口的螺纹也对应于G螺纹、NPT螺纹,因此请咨询协商。
号DIN端子箱(Pg11)
其他选择项 :安装底脚
电压 :AC100V
单体阀; 直接配管
4F0~3 Series
4F3 AC100V 1 0 08 M2 L
单体阀· 底板配管型号表示方法
机种型号
接管口径
手动装置
电线连接
其他选择项

〈型号表示例〉
注1:4FO的R1·R2是M5。
注2:4F1的R1·R2是Rp1/8。
带导线(300m)
带浪涌吸收器
带指示灯
L.L2的DC型是内藏带浪涌吸收器
带浪涌吸收器、带指示灯的回
2位单电控
2位双电控
3位中封
3位A·B·R连接
符号 内 容
机种型号
DIN端子箱(Pg11)
DIN端子箱(Pg11)
DIN端子箱(G1/2)
C型接插件(导线横向)
D型接插件(导线向上)
直接导线
导线管导线(CTC19)
导线管导线(G1/2)
圆形端子箱(G3/4)
圆形端子箱(G1/2)
圆形端子箱
没有选择项
安装底座(L型部件)(2位单电控用)
安装底座(U型部件)
带浪涌吸收器(压敏电阻)
附属单向阀(仅应用于3位中封)
附属螺堵(3通阀用)
常闭3通阀 组装螺堵(C1:A.E1:R1)
常通3通阀 组装螺堵(C2:B.E2:R2)
AC100V
AC200V
DC 12V
DC 24V
AC110V
AC220V
AC100V 50 / 60Hz
AC200V 50 / 60Hz
AC110V
AC220V
AC100V 50 / 60Hz
DC 12V
DC 24V
AC110V 50 / 60Hz
AC220V 50 / 60Hz
b 切换位置区分
c 接管口径
e 电线连接
f 其他选择项
AC200V 50 / 60Hz
DC 12V
DC 24V
AC110V 50 / 60Hz
AC220V 50 / 60Hz
日本CKD单体阀,4SB029-00-C-3
021-39526589
网址:www.qiant.net
地 址:上海市嘉定区嘉涌路99弄
6号楼713室