高性能FESTO费斯托ADN-50-30-A-P-A紧凑型气缸

型号意义:

特性:
• 紧凑型气缸系列 ADN/AEN符合标准 ISO 21287
• 集成缓冲,用于吸收残余能量
• 具有非同一般的缓冲特性以及的摩擦系数,使用寿命长
• ADN/AEN 派生型众多,其结构紧凑,应用广泛,因而与众不同
• 得益于模块化产品系统,可根据个性化需要配置派生型
工作原理:
根据工作所需力的大小来确定活塞杆上的推力和拉力。由此来选择气
大,造成能源浪费。在夹具设计时,应尽量采用增力机构,以减少气
缸时应使气缸的输出力稍有余量。若缸径选小了,输出力不够,气缸
不能正常工作;但缸径过大,不仅使设备笨重、成本高,同时耗气量增
缸的尺寸。
实物图:

产品信息:
结构特点 活塞
活塞杆
安装方式 通过通孔
通过内螺纹
环境温度1) [°C]
– –20 … +80
S6 0 … +120
R3 –20 … +80
通过附件
缸筒
工作方式 双作用
型号:
DSNU-32-470-PPV-A
DSNU-25-70-PPV-A-S2
DSNU-12-30-P-A
DSNU-25-130-PPV-A
DSNU-32-15-PPV-A
162681 LOE-3/4-D-MIDI
161416 CPV10-M1H-2X3-GLS-M7
120519 LFR-D-MIDI-A
19212 DSNU-20-100-P-A
19245 DSNU-25-40-PPV-A
536292 ADN-40-20-A-P-A
1254049 DHPS-25-A
1310180 DHWS-25-A
153032 QS-6
161878 KMPPE-B-5
30939 KMV-1-24DC-2,5-LED
31004 MVH-5/3G-1/4-S-B
173153 MEH-5/3B-1/8-P-B
536203 ADN-12-15-A-P-A-S2-10K2
530566 AEVC-12-5-P
171251 DSAQ-10-10-P-A
2309 U-3/8
153004 QS-1/8-8
162583 LR-1/4-D-7-MINI
185779 LFR-1/8-D-MINI-KG
3111 SG-M8
9254 SGS-M6
DSNU-10-35-P-A
DSNU-25-185-PPV-A
DSNU-40-70-PPV-A
DSNU-20-10-PPV-A
DSNU-20-30-P-A-MQ
13291 EV-20/75-5
13290 EV-15/63-4
172146 DSAS-32-25-PPV
172003 DSAG-32-10-P
156047 ADVU-63-100-A-P-A
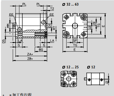
尺寸图:


541254 CPX-AB-4-M12*2-5POL-R
9255 SGS-M8
3110 SG-M6
158977 VASB-15-1/8-SI
151870 MFH-5/2-D-3-C
172025 DSAQ-32-30-P
563115 ADN-50-100-A-P-A
536310 ADN-50-5-A-P-A
525444 PUN-V0-10X1,5-BL
525443 PUN-V0-8X1,25-BL
546151 VZWM-L-M22C-G114-F5
546153 VZWM-L-M22C-G2-F5
549906 MH-2-24VDC-PA
165092 ADVUL-25-10-P-A-S2
34412 MSFG-24DC/42AC-DS-OD
535987 NVF3-MOH-5/2-K-1/4-EX
122996 LF-D-MINI-A
30002 DNG-50-300-PPV-A
36356 DNG-50-500-PPV-A
153024 QSF-1/4-6-B
156642 ADVU-50-50-A-P-A
10352 GRE-1/4
163142 CPE18-M1H-5L-1/4
153003 QS-1/4-6
153005 QS-1/4-8
153007 QS-1/4-10
151687 MSSD-EB
4612 MF-4-1/8
163304 DNC-32-600-PPV-A
163468 DNC-100-80-PPV-A
2478 DGS-40-40-PPV
5052 DSN-12-100-P
021-39526589
网址:www.qiant.net
地 址:上海市嘉定区嘉涌路99弄
6号楼713室