AVENTICS安沃驰0821406502紧凑型气缸应用广泛

产品详情:
滚珠轴承导向装置 带一体化球型导轨引导
环境温度范围 0 ... 60 °C
介质 压缩空气
颗粒大小 max. 5 µm
实用原则 双作用式
缓冲 弹性
外壳 铝材
密封件材料 聚氨酯
压缩空气连接 M5
磁性销钉 带磁性活塞
活塞直径 6 mm
实物图:

控制螺栓应力的方法:
如果汽缸结合面的变形较小,而且很均匀,可在有间隙处更换新的螺
制螺栓的预紧力可用公式d/L≤A来计算,但由于此计算的数据与测量
栓,或是适当的加大螺栓的预紧力。按从中间向两边同时紧固,也就
是从垂弧较大处或是受力变形较大的地方紧固螺栓。理论上来说,控
的手段还在研究当中,没有达到推广,多在螺栓的允许的较大应力内
根据经验而定
型号:
R412023459
R412023860
R412023861
R412024739
R412024740
R412024741
R414000771
R414000772
R414000773
R414000775
R414000776
R414000777
R414000778
R414000908
R414000910
R414001154
R414001155
R414001197
R414001198
R414001199
R414001200
R412023862
R412023863
R412023864
R412023889
R412023890
R412023891
R412023892
R412023904
R412024011
R412024050
R412024680
R412024681
R412024682
R412024736
R412024737
R412024738
R414001635
R414001636
R414001681
R414002003
R414002004
R414002005
R414002006
R414002007
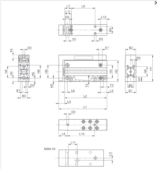
尺寸图:



R414002008
R414002009
R414002010
R414002294
R414002295
R414002296
R412024742
R412024749
R412024750
R412024751
R412024752
R412024753
R412024760
R412024761
R412024051
R412024052
R414002581
R414002582
R414002583
R414003364
R414003365
R414003370
R414003371
R414003372
R414003373
R414003879
R414004660
R414006056
R414006057
R414006058
R414006059
R414006060
R414006061
R414006064
R414007182
R414007183
R414007343
R412024053
R412024054
R412024123
R412024124
R412024125
R412024482
R412024535
R412024536
R412024669
R412024670
021-39526589
网址:www.qiant.net
地 址:上海市嘉定区嘉涌路99弄
6号楼713室