高性能CAMOZZI康茂盛E721-C33气控阀

产品信息:
结构形式 滑阀型
工作温度 0 ~ 50℃
介质 经过滤的空气(过滤精度5 um或更小),不需润滑。如使
类别 二位五通,三位五通
材料 铝阀体、阀芯和气路板;工程塑料端盖,腈橡胶或聚氨酯
密封件
接口 M5,G1/8,G1/4或 Ø4 快插接头
绝缘等级 F级
防护等级 IP65(带插座 DIN 40050) IP50(规格 10.5电磁阀)
用油雾润滑,应不间断地使用油雾润滑(TJ使用ISOVG32润滑油)
简介:
电磁阀(Electromagnetic valve)是用电磁控制的工业设备,是用来控
够。电磁阀有很多种,不同的电磁阀在控制系统的不同位置发挥
制流体的自动化基础元件,属于执行器,并不限于液压、气动。用在
可以配合不同的电路来实现预期的控制,而控制的精度和灵活性都能
工业控制系统中调整介质的方向、流量、速度和其他的参数。电磁阀
作用,常用的是单向阀、安全阀、方向控制阀、速度调节阀等。
实物图:

工作原理:
气动调节阀由执行机构和调节机构组成。执行机构是调节阀的推力部
阀体是气动调节阀的调节部件,它直接与调节介质接触,调节该流体
的流量。
性能要求:
内泄露量
电磁换向阀的内泄露量是指在规定的工作条件下,处于各个不同工作
位置时,从高压腔到压腔的泄露量。
换向和复位时间
从电磁铁通电到阀芯换向终止所需要的时间,复位时间是指从电磁断
在单位时间内所允许的较大换向次数
电磁阀使用到主要零部件损坏,不能进行正常的换向和复位动作,或
电到阀芯回复到初始位置所需要的时间。
换向频率
者使用到其主要性能指标明显恶化过了规定指标所经历的换向次数
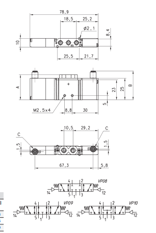
尺寸图:

型号:
| 60M2L040A0390 |
| 60M2L040A0400 |
| 60M2L040A0400EX |
| 60M2L040F0400 |
| 60M2L040A0400R |
| 60M2L040A0400W |
| 60M2L040RL0400 |
| 60M5L040F0400 |
| 60M6L040A0400 |
| 60M2L040A0410 |
| 60M2L040A0420 |
| 60M2L040A0450 |
| 60M2L040A0450EX |
| 60M2L040A0455 |
| 60M2L040A0460 |
| 60M2L040A0470 |
| 60M2L040A0480 |
| 60M2L040A0490 |
| 60M2L040A0500 |
| 60M2L040A0500R |
| 60M2L040A0500W |
| 60M2L040RL0500 |
| 60M3L040A0500 |
| 60M3L040A0500W |
| 60M6L040A0500 |
| 60M2L040A0525 |
| 60M2L040A0530 |
| 60M2L040A0530W |
| 60M2L040A0540 |
| 60M2L040A0550 |
| 60M6L040A0550 |
| 60M2L040A0560 |
| 60M2L040A0570 |
| 60M2L040A0600 |
| 60M2L040F0600 |
| 60M2L040A0600R |
| 60M2L040RL0600 |
| 60M6L040A0600 |
| 60M2L040A0610 |
| 60M2L040A0620 |
| 60M2L040A0625 |
| 60M2L040A0630 |
| 60M2L040A0640 |
| 60M2L040A0650 |
| 60M2L040A0650EX |
| 60M2L040A0660 |
| 60M2L040A0670 |
| 60M2L040A0680 |
| 60M2L040A0700 |
| 60M2L040A0700(305) |
| 60M2L040A0700R |
| 60M2L040RL0700 |
| 60M2L040A0720 |
| 60M2L040A0725 |
| 60M2L040A0740W |
| 60M2L040A0750 |
| 60M2L040A0755 |
| 60M2L040A0770 |
| 60M2L040A0780 |
| 60M2L040A0780W |
| 60M2L040A0800 |
| 60M2L040A0800R |
| 60M2L040A0800W |
| 60M2L040A0820 |
| 60M2L040A0830 |
高性能CAMOZZI康茂盛E721-C33气控阀
021-39526589
网址:www.qiant.net
地 址:上海市嘉定区嘉涌路99弄
6号楼713室