
产品信息:
阀功能 5/2 双稳
驱动类型 电气的
声压等级 85 dB(A)
环境温度 -5 ... 40 °C
宽度 65 mm
标准额定流量 4,500 l/min
先导气源 内置的
流动方向 不可逆
耐冲击性 冲击试验,强度等级2,符合FN 942017-5和EN 60068-2-27
介质温度 -10 ... 60 °C
产品重量 1,060 g
可自由交叠 是
反向切换时间 18 ms
逻辑为0的较大正向测试脉冲 2,200 µs
工作压力 2 ... 10 bar
设计结构 活塞滑块
防护等级 IP65
实物图:

性能要求:
换向性能
在规定的工作条件下,电磁阀通电后能否地换向,断电后能否可
失和节流损失组成。
电磁阀使用到主要零部件损坏,不能进行正常的换向和复位动作,或
靠地复位。
压力损失
电磁换向阀的压力损失由液流流过电磁换向阀的阀口时产生的流动损
者使用到其主要性能指标明显恶化过了规定指标所经历的换向次数
内泄露量
电磁换向阀的内泄露量是指在规定的工作条件下,处于各个不同工作
位置时,从高压腔到压腔的泄露量。
型号:
CPX-GE-EV-Z-VL
CPX-M-EPR-EV-X
CPX-M-FB20
CPX-M-FB21
CPX-M-FB21-IB-RL
CPX-M-FB34
CPX-M-FB35
CPX-M-GE-EV
CPX-M-GE-EV-FVO
CPX-M-GE-EV-S-7/8-5POL
CPX-M-GE-EV-S-7/8-5POL-VL
CPX-M-GE-EV-S-7/8-CIP-4P
CPX-M-GE-EV-S-PP-5POL
CPX-ZA-1-E
CPX-ZA-2
CPX-ZA-3
CPX-ZA-4
CPX-ZA-5
CPX-ZA-6
CPX-ZA-7
CPX-ZA-8
CPX-ZA-9
CQ-1/2-12
CQ-1/2-12H
CPX-M-GE-EV-Z-7/8-5POL
CPX-M-GE-EV-Z-7/8-5POL-VL
CPX-M-GE-EV-Z-PP-5POL
CPX-M-M2,5X8-12X
CPX-M-M3X22-4X
CPX-M-M3X22-S-4X
CPX-MMI-1
CPX-MMI-1-H
CPX-MMI-1-NRH
CPX-P-8DE-N
CPX-P-8DE-N-IS
CPX-P-AB-2XKL-8POL
CPX-P-AB-2XKL-8POL-8DE-N-IS
CQH-22-QS-16
CQL-12
CQL-15
CQL-18
CQL-22
CQL-28
CQO-15
CRDSNU-B-32-125-PPS-A-MG-A1
CRDSNU-B-32-160-PPS-A-MG-A1
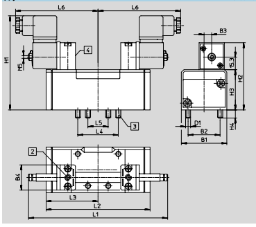
尺寸图:


CRDSNU-B-32-200-PPS-A-MG-A1
CRDSNU-B-32-25-PPS-A-MG-A1
CQO-22
CQSR-12
CQSR-15
CQSR-18
CQSR-22
CPX-P-AB-4XM12-4POL
CPX-GP-03-4,0
CPX-L-16DE-16-KL-3POL
CPX-L-8DE-8DA-16-KL-3POL
CPX-M-16DE-D
CQA-28
CQC-12H
CQC-15H
CQC-18H
CQC-22H
CQC-28H
CQD-12/15/18/22
CQH-15-QS-12
CRDSNU-B-25-50-PPS-A-MG-A1
CRDSNU-B-25-80-PPS-A-MG-A1
CRDSNU-B-32-100-PPS-A-MG-A1
CRDSNU-B-32-10-PPS-A-MG-A1
CRDSNU-B-32-40-PPS-A-MG-A1
CRDSNU-B-32-50-PPS-A-MG-A1
CRDSNU-B-32-80-PPS-A-MG-A1
CRFBN-12/16
CRFBN-20/25
CQH-18-QS-16
CQT-12
CQT-15
CQT-18
CQT-18-15
CQT-22
CQT-22-15
CQT-28
CRCN-1/4-PK-4
CRCN-1/4-PK-6
CRCN-1/8-PK-3
CRCN-1/8-PK-4
CPX-M-AB-4-M12X2-5POL
CPX-M-AB-8-M12X2-5POL
CPX-M-AK-C
CPX-M-AK-M
CPX-M-BG-RW-2X
CPX-M-EPL-EV
CPX-M-EPL-EV-X
CPX-M-EPR-EV
CPX-P-AB-4XM12-4POL-8DE-N-IS
CPX-P-AB-IP
CPX-P-KDS-AB-2XKL
CPX-SK-2
CPX-ST-1
CPX-W-PT1000
CPX-ZA-1
CPX-ZA-10
021-39526589
网址:www.qiant.net
地 址:上海市嘉定区嘉涌路99弄
6号楼713室