FESTO扁平型气缸DZH-40-125-PPV-A结构简图

参数:
装配位置 任意
工作模式 双作用
设计结构 活塞
环境温度 -20 ... 80 °C
缓冲长度 21 mm
防旋转的较大扭矩 1.2 Nm
6 bar时的理论作用力,回复行程 633 N
6 bar时的理论作用力,进程 754 N
每10 mm 行程所增加的重量 40 g
活塞杆
位置检测 用于接近式传感器
防止扭转/导向 椭圆形活塞
工作压力 0.6 ... 10 bar
实物图:

介绍:
扁平气缸就是活塞是长圆型,外观是扁扁的,适合于空间有限的地方
比如同样推力的气缸,普通气缸外形尺寸是60乘以60,扁平气缸就
是40乘以90,如果某个安装空间只有45的宽度,扁平气缸就派上用场
型号:
DSN-10-50-PMFH-5/2-D-3-C
DSN-10-60-PMFH-5/2-D-3-FR-C
DSN-12-50-PMFH-5/2-D-3-S-C
DSN-16-25-PMFH-5/3B-1/8-B
DSN-16-50-PMFH-5/3B-3/8-B
DSN-16-90-PMFH-5/3E-1/4-B
DZH-16-80-PPV-AMSEB-3-230VAC
EG-4-10-PK-2MSN1W-230AC-OD
EG-4-5-PK-2MSN1W-24AC/12DC
EG-6-10-PK-3MSSD-C
EGZ-10-10MSSD-C-4P
EGZ-10-5MSSD-E
EGZ-16-10MSSD-EB
DSN-20-100-PMFH-5/3E-1/8-B
DSN-20-125-PPVMFH-5/3E-3/8-B
DSN-20-25-PMFH-5/3E-D-2-C
DSN-20-300-PMFH-5/3E-D-3-C?
DSN-20-80-PMFH-5/3G-1/4-B
1496787 DPCS-12-10-P
1496887 DPCS-12-10-PA
1497082 DPCS-12-10-SF-P
1496842 DPCS-12-30-F-PA
1496835 DPCS-12-30-P
1496917 DPCS-12-30-PA
1484520 DPCS-16-5-F-P
1484345 DPCS-16-5-F-PA
DSN-25-10-PMFH-5/3G-1/8-B
DSN-25-25-PMFH-5/3G-3/8-B
DSN-25-40-PPVMFH-5/3G-D-1-C
DSNU-10-100-P-AMFH-5/3G-D-2-C
DYSR-16-20-Y5MS6-LFM-A
DZF-25-50-P-AMS6-LFP-C
DZH-16-50-PPV-AMS6-LFR-1/2-D6-ERV-AS
EGZ-6-5MSSD-F
ESH-HC-1-QSMSW-110AC
ESH-HCL-1-QSMSW-230AC
ESH-HD-4-QSMUP-50
ESH-HDL-4-QSMVH-5/3G-1/4-S-B
ESK-1/4-1/4MVH-5/3G-3/8-S-B
ESN-10-25-PMVH-5-1/8-B
DSNU-10-10-P-AMFH-5/3G-D-3-C
DSNU-10-30-P-AMFH-5-1/2
DSNU-12-10-P-AMFH-5-1/4
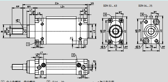
尺寸图:


DSNU-12-25-P-AMFH-5-1/4-B
DZH-20-320-PPV-AMSFG-198/220
DZH-25-100-PPV-AMSFG-24DC/42AC
1496905 DPCS-12-20-F-PA
1496794 DPCS-12-20-P
1496880 DPCS-12-20-PA
1496826 DPCS-12-25-F-P
1496889 DPCS-12-25-F-PA
1496904 DPCS-12-25-P
1496874 DPCS-12-25-PA
1496852 DPCS-12-30-F-P
DZH-40-50-PPV-AMSFG-24DC/42AC-OD
EB-145-100于MSFG-24DC-M-EX
EB-165-125MSFW-110-50/60
EB-215-155MSFW-230-50/60
EB-215-80FMSFW-24-50/60
EB-250-185EMSG-12DC
EB-250-85SMSG-24DC
EG-12-40TMSN1G-24DC-OD?
EG-16-40OMSN1W-110AC-OD
DSNU-12-30-P-AMFH-5-1/4-L-B
DSNU-12-50-P-AMFH-5-1/4-S
1497060 DPCS-12-10-SF-PA
1497079 DPCS-12-10-SF-PA-F
1496854 DPCS-12-15-F-P
1496866 DPCS-12-15-F-PA
1496795 DPCS-12-15-P
1496881 DPCS-12-15-PA
1496849 DPCS-12-20-F-P
DSNU-12-50-PPV-AMFH-5-1/4-S-B
DSNU-16-100-P-AMFH-5-1/8
DSNU-16-100-PPV-AMFH-5-1/8-B
021-39526589
网址:www.qiant.net
地 址:上海市嘉定区嘉涌路99弄
6号楼713室