分析SICK施克DFS20A-A2BAD001024增量型编码器

特点:
可编程的 DFS2x 编码器通过允许同型号的编码器用于不同的应用简
件的库存需求
灵活的电气接口配置降了所选择的编码器与电子设备输入端不兼容
化了机器的设计
由于单个可编程的 DFS2x 编码器可用于各种各样的应用,减少了备
的风险
高分辨率为要求的应用提供了更的定位
较宽的工作温度范围以及高抗冲击和抗振动性减少了机器的停机时间
实物图:

产品详情:
测量步距 ± 0.08° 每圈的电/脉冲
测量步距偏差 ± 0.008°
误差限值 ± 0.3°
运行温度范围 –30 °C ... +85 °C
功耗 0.7 W (无负荷)
工作转矩 0.3 Ncm (+20 °C)
允许径向/轴向轴负载
40 N (轴向)
外壳防护等级 IP65 (根据 IEC 60529 标准)
储存温度范围 –40 °C ... +100 °C, 无包装
80 N (径向)
工作转速 9,000 min⁻¹
允许相对湿度 90 % (不允许凝结)
输出频率 820 kHz
参考信号,数量 1
参考信号,位置 180°, 电气,通道 B 负进行逻辑连接
初始化时间 40 ms 1)
性能:
增量式编码器转轴旋转时,有相应的脉冲输出,其旋转方向的判别和
脉冲数量的增减借助后部的判向电路和计数器来实现。其计数起点任
Z信号,作为参考机械零位。编码器轴转一圈会输出固定的脉冲,脉
冲数由编码器光栅的线数决定。需要提高分辨率时,可利用 90 度相
意设定,可实现多圈无限累加和测量。还可以把每转发出一个脉冲的
位差的 A、B两路信号对原脉冲数进行倍频,或者更换高分辨率编码器。
型号:
DGS21-1RK01024
DGS21-1RK02000
DGS21-1RK02500
DGS21-1RL01800
DGS21-1RL02048
DGS21-5UK01024
DGS21-5UK02000
DGS21-5UK02500
DGS21-5UL01024
DGS21-5UL02500
DGS21-5UN00300
DGS21-5UN01024
DGS21-9R200010
DGS21-9R200030
DGS21-9R200100
DGS21-9RK00200
DGS21-9RM01024
DGS21-9RM02400
DGS21-9RN00100
DGS22-1RK00500
DGS22-1RK00600
DGS22-1RK01000
DGS22-1RK01024
DGS22-1RK02000
DGS22-1RK02048
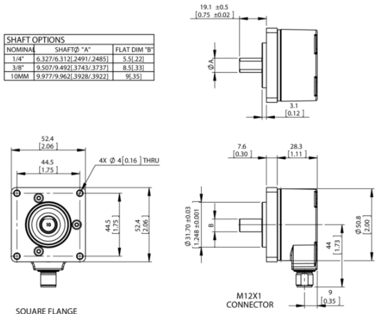
尺寸图:

DGS22-1RK02500
DGS22-1RL00050
DGS22-1RL01280
DGS21-1RL02400
DGS22-1UK00600
DGS22-1UK01000
DGS22-1UK01024
DGS22-1UK02000
DGS22-1UK02500
DGS22-1UL02000
DGS22-3R202000
DGS22-3UN01000
DGS22-3UN02000
DGS22-5R201000
DGS22-5RK00100
DGS22-5RK00200
DGS22-5UK00100
DGS22-5UK00200
DGS22-5UK00360
DGS22-5UK00500
DGS22-5UK00600
DGS22-5UK01000
DGS21-1RM01024
DGS21-1RM02048
DGS21-1RN02500
DGS21-1U200050
DGS21-1U200360
DGS21-1U201024
DGS21-1U202048
DGS21-1UK00100
DGS21-1UK00200
DGS21-5R200010
DGS21-5R200020
DGS21-5R200030
DGS21-5R200050
DGS21-5R201024
DGS21-5R202048
DGS21-5RK00100
DGS21-5RK00200
DGS21-5RK00360
DGS21-5RK00500
DGS21-5RK00600
DGS21-5RK01000
DGS21-5RK01024
DGS22-5RK00360
DGS22-5RK00500
DGS22-5RK00600
DGS22-5RK01000
DGS22-5RK01024
DGS22-5RK02000
DGS22-5RK02048
DGS22-5RK02500
DGS21-5RK02000
DGS21-5RK02500
DGS21-5RL00001
DGS21-1UK00360
DGS21-1UK00500
DGS21-1UK00600
DGS21-1UK01000
DGS21-9RN00512
DGS21-9U200512
DGS21-9UL00050
DGS21-9UL00150
DGS21-9UL00400
DGS22-1R200080
DGS22-1R200200
DGS22-1R202500
DGS22-1RK00100
DGS22-1RK00200
DGS22-1RK00360
DGS21-1UK01024
DGS21-1UK02000
DGS21-1UK02500
DGS21-1UL01024
DGS21-1UL02500
DGS21-1UM02500
DGS21-3R200400
DGS21-3R201000
分析SICK施克DFS20A-A2BAD001024增量型编码器
021-39526589
网址:www.qiant.net
地 址:上海市嘉定区嘉涌路99弄
6号楼713室