德国FESTO电感式传感器电气数据,DFM-16-50-B-PPV-A-GF

• 标准检测距离
• 用于直流和交流电压
• 圆形结构
重要参数:
规格 4 mm M5 6.5 mm M8 M12 M18 M30
环境温度,电缆柔性安装 [°C] – –5 … +70 –5 … +70 –5 … +70
防护等级 – IP65 –
IP67 IP67 IP67
电涌强度 [kV] – 1 – 0.8
耐腐蚀等级 CRC1) – 4 2 –
污染等级 – 3 – 3
1) 耐腐蚀等级 2,符合Festo FN 940 070 标准
中度耐腐蚀能力。有可能会产生冷凝水的应用场合。用于表面装饰要求的外部可视件,与典型的工业应用场合环境气候直接接触。
耐腐蚀等级 4,符合Festo FN 940 070 标准
高度耐腐蚀能力。户外暴露于极端腐蚀性条件。暴露于腐蚀性介质的元件,例如化工或食品行业。这些应用场合需要使用相应的介质进行特殊测试的结果加以支持

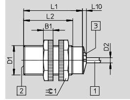
1 3芯电缆, 2.5 m
2 作用面
3 1 开关状态显示, 黄色
安装方式:
齐平安装

非齐平安装

规格型号;
150402 SIEN-M12B-PS-K-L 150403 SIEN-M12B-PS-S-L
常闭触点 150406 SIEN-M12B-PO-K-L 150407 SIEN-M12B-PO-S-L
NPN 常开触点 150400 SIEN-M12B-NS-K-L 150401 SIEN-M12B-NS-S-L
常闭触点 150404 SIEN-M12B-NO-K-L 150405 SIEN-M12B-NO-S-L
4.0 非齐平 PNP 常开触点 150410 SIEN-M12NB-PS-K-L 150411 SIEN-M12NB-PS-S-L
常闭触点 150414 SIEN-M12NB-PO-K-L 150415 SIEN-M12NB-PO-S-L
NPN 常开触点 150408 SIEN-M12NB-NS-K-L 150409 SIEN-M12NB-NS-S-L
常闭触点 150412 SIEN-M12NB-NO-K-L 150413 SIEN-M12NB-NO-S-L
M18
5.0 齐平 PNP 常开触点 150418 SIEN-M18B-PS-K-L 150419 SIEN-M18B-PS-S-L
常闭触点 150422 SIEN-M18B-PO-K-L 150423 SIEN-M18B-PO-S-L
NPN 常开触点 150416 SIEN-M18B-NS-K-L 150417 SIEN-M18B-NS-S-L
常闭触点 150420 SIEN-M18B-NO-K-L 150421 SIEN-M18B-NO-S-L
8.0 非齐平 PNP 常开触点 150426 SIEN-M18NB-PS-K-L 150427 SIEN-M18NB-PS-S-L
常闭触点 150430 SIEN-M18NB-PO-K-L 150431 SIEN-M18NB-PO-S-L
NPN 常开触点 150424 SIEN-M18NB-NS-K-L 150425 SIEN-M18NB-NS-S-L
常闭触点 150428 SIEN-M18NB-NO-K-L 150429 SIEN-M18NB-NO-S-L
M30
10.0 齐平 PNP 常开触点 150434 SIEN-M30B-PS-K-L 150435 SIEN-M30B-PS-S-L
常闭触点 150438 SIEN-M30B-PO-K-L 150439 SIEN-M30B-PO-S-L
NPN 常开触点 150432 SIEN-M30B-NS-K-L 150433 SIEN-M30B-NS-S-L
常闭触点 150436 SIEN-M30B-NO-K-L 150437 SIEN-M30B-NO-S-L
15.0 非齐平 PNP 常开触点 150442 SIEN-M30NB-PS-K-L 150443 SIEN-M30NB-PS-S-L
常闭触点 150446 SIEN-M30NB-PO-K-L 150447 SIEN-M30NB-PO-S-L
NPN 常开触点 150440 SIEN-M30NB-NS-K-L 150441 SIEN-M30NB-NS-S-L
常闭触点 150444 SIEN-M30NB-NO-K-L 150445 SIEN-M30NB-NO-S-L
021-39526589
网址:www.qiant.net
地 址:上海市嘉定区嘉涌路99弄
6号楼713室