HONEYWELL伺服液位计性能参数
成本,
Enraf 854 XTG伺服液位计具有很高的精度,比雷达液位计具有更多的功能。可以完全替换储罐液位的其他测量技术。在较高6bar压力等级下,提供各种应用计量解决方案。XTG伺服液位计的通过了TUV的SIL 2和SIL 3安全等级,可以作为一个独立的防溢流系统来部署,符合API 2350和其它主要安全TJ标准。Enraf伺服液位计通过OIML R85 2008,完全符合贸易交接应用要求。Enraf的XTG伺服液位计是多功能液位计,可以测量产品液位、界位、并进行密度测量。这样就可以确保在现有储罐罐区内使用伺服液位计,解决更多的测量问题。

过程
操作压力 较高为6bar/0.6 MPa(87 psi)
较高工作温度 +200℃(+392oF),磁鼓室必须于+65℃(+149oF)7
较工作温度 -200℃(-328oF),磁鼓室必须高于-40℃(-40oF)7
过程接液材料
磁鼓室(包括磁鼓室端盖) 铸铝,标准号AA A356 EN1706 AC-AISi7Mg0.3
测量磁鼓,磁鼓轴 不锈钢(1.4401)EN10088 AISI 316
测量钢丝 参见“标识代码”中的选择
测量浮子 参见“标识代码”中的选择
O型圈 硅酮/氟化乙丙烯磁鼓室端盖

测量规格
测量范围 - 标准 27m(88ft)
测量范围 - 扩展 37m(121ft)
测量范围 - 特殊 较高可达150m(492ft),参见“标识代码”;对于更长的距离,请联系。
液位测量精度 (27m/88ft):<±0.4mm(±0.016”)*1;(37m/121ft):<±0.7mm(±0.028”)*1
界位(油水)测量精度 <±2mm(±0.08”)*2
伺服密度测量精度 <±1kg/m3(±0.19lb/ft3)*3
温度测量精度 <±0.1℃(±0.18℉)*1, *4
灵敏度 ≤0.1mm(±0.004”)*1
重复精度 ≤0.1mm(±0.004”)*1
机械
法兰 2”150lb,法兰,符合ASME 16.5,Ra = 3.2-6.3μm,与DN 50 PN40类似,铝材料
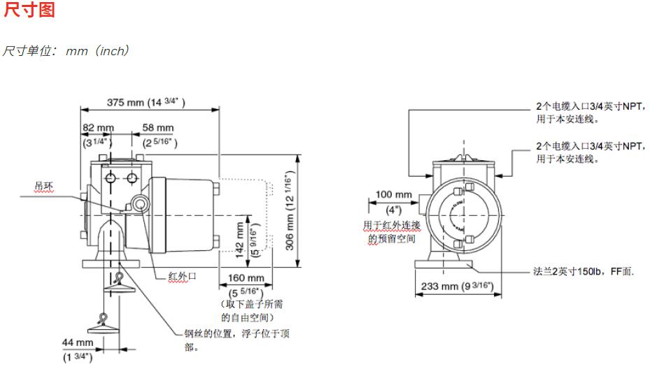
尺寸 参见“尺寸图”
重量 16KG(35lb)
电气接口 4个3/4”NPT,内螺纹(2个本安侧+2个非本安侧)
HONEYWELL伺服液位计性能参数
021-39526589
网址:www.qiant.net
地 址:上海市嘉定区嘉涌路99弄
6号楼713室