IDEC光电传感器量程选择
通用电源型、DC 电源型、定时功能型机种丰富。长检测距离可达50m(透过型)
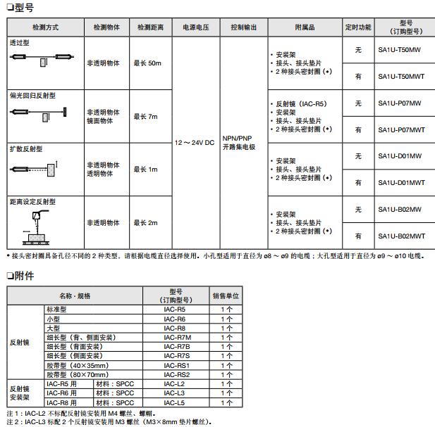
12 ~ 24V DC 的DC 电源型。
可进行水洗的IP67 保护等级。

可根据用途选择检测方式:距离设定反射型(BGS 型)、扩散反射型、透过型以及偏光回归反射型。
具备可在0.1 ~ 5 秒间调整定时的定时功能型。
安装间距可为40mm 以及50 ~ 55mm。。
具备优越视认性的动作指示灯以及稳态指示灯。
晶体管输出型可进行NPN 开路集电极和PNP 开路集电极双重输出。
内置互扰抑制功能,可2 台密集安装(透过型除外)。

继电器输出型采用SPDT 触点。
螺丝弹升结构端子台可节省接线工时。可连接长100m 的ø8 ~ ø10mm 圆形电缆。
工作原理
光电传感器是通过把光强度的变化转换成电信号的变化来实现控制的。
光电传感器在一般情况下,有三部分构成,它们分为:发送器、接收器和检测电路。

发送器对准目标发射光束,发射的光束一般来源于半导体光源,发光二极管(LED)、激光二极管及红外发射二极管。光束不间断地发射,或者改变脉冲宽度。接收器有光电二极管、光电三极管、光电池组成。在接收器的前面,装有光学元件如透镜和光圈等。在其后面是检测电路,它能滤出有效信号和应用该信号。
此外,光电开关的结构元件中还有发射板和光导纤维。
IDEC光电传感器量程选择
021-39526589
网址:www.qiant.net
地 址:上海市嘉定区嘉涌路99弄
6号楼713室