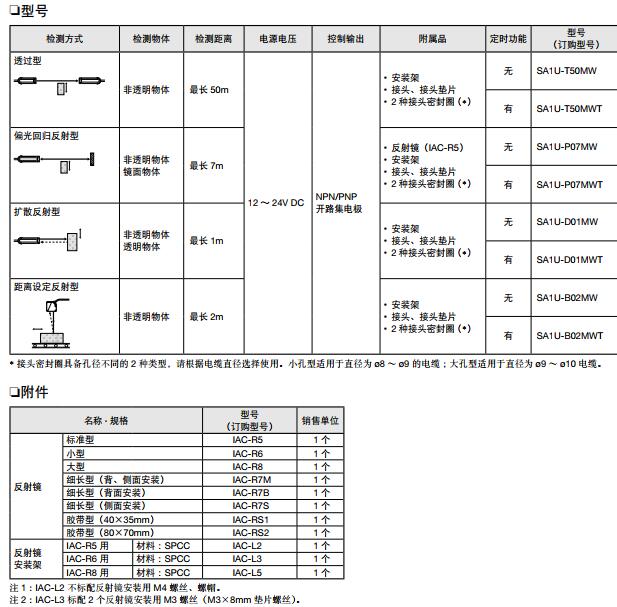
IDEC安全激光扫描器使用注意
新增连接器型以及2种简易安装型安装架。

1台即可保护270°,5m长的区域范围的安全,因此可应用于使用工业机器人的大型设备以及长距离连续传输的输送线等广泛场所。
SE2L型为可检测接近的安全传感器。只需在所设定的2个保护区域的外侧区域内检测出接近时,设备开始减速,即可缩小停止区域。
行业首款,内置主机从机功能。可通过RS-485通信进行主机从机控制。因统合了输入输出,因此可将较大4台按1台的设置方法进行设置。
双重保护功能。可分别监视2 个危险区域的入侵,使机械停止。

因可实施参考监控功能,所以可检测移位以及栅门的开闭等状态变化,确保安全。
可作为工件搬入口的安全对策。且,可简单的从因暂时无效化的停止恢复运行。
可确保较大32 种区域组的安全。
可活用距离测定数据。

因对应外部设备监视(EDM)功能,可实施外部触点溶着等的故障诊断。
对应编码器输入。
考虑用户界面的设置,配载支持维修保养,具备多彩功能的专用设定软件
5m 检测长、270°检测角度,兼备性和安全性的安全激光扫描器。
IDEC安全激光扫描器使用注意
021-39526589
网址:www.qiant.net
地 址:上海市嘉定区嘉涌路99弄
6号楼713室