OMRON固态继电器操作简单
性能
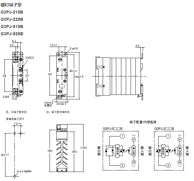
型号 G3PJ-2□□B (-PU) G3PJ-5□□B (-PU)
项目
动作时间 负载电源频率的1/2周期+1ms以下

复位时间 负载电源频率的1/2周期+1ms以下
输出ON电压下降 1.6V (RMS)以下 1.8V (RMS)以下
漏电流 10mA以下(AC240V时) 20mA以下(AC480V时)
绝缘电阻 100MΩ以上(DC500V兆欧表)
耐电压 AC2,500V 50/60Hz 1分钟 AC4,000V 50/60Hz 1分钟
振动 10~55~10Hz 单振幅0.35mm (双振幅0.70mm)(DIN导轨安装)

冲击 300m/s2 (DIN导轨安装)
保存温度 -30~+100℃ (无结冰、结露)
使用环境温度 -30~+80℃ (无结冰、结露)
使用环境湿度 45~85%RH
重量 约240g
OMRON固态继电器操作简单
021-39526589
网址:www.qiant.net
地 址:上海市嘉定区嘉涌路99弄
6号楼713室