纽曼蒂克五通板接式阀技术数据,8215B070VH 120/60.110/50
190和330系列是双向,常闭隔离
阀门由TFE材料制成,这使得它们成为可能
几乎不受化学侵袭。 190系列是一个
单阀,而330系列提供相同的阀门
•紧凑的尺寸可节省设备的宝贵空间
•功耗
有许多替代结构,包括各种电压,
电连接器和结构材料。 ASCO Scientific也可以
为您的特定应用定制设计阀门。
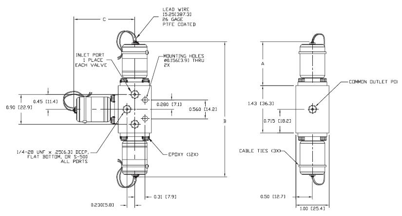
用于色谱的2,3或4位歧管配置,
溶剂选择和过程取样。

*锁定阀仅设计用于间歇工作。
功率等级适用于启动阀门所需的持续时间为20 - 30 ms。
切换后,不需要额外的电源来保持
阀门处于其位置。
•选择基本目录号
•将电压插入5和6位,用“xx”表示
•增加螺线管数量(仅限330系列)
•PTFE隔膜屏蔽内部组件
电磁阀从介质处理多
侵略性流体
有关更多信息,请联系您当地的ASCO销售。
“xx”表示电压目录号中的位置

纽曼蒂克五通板接式阀技术数据,8215B070VH 120/60.110/50
021-39526589
网址:www.qiant.net
地 址:上海市嘉定区嘉涌路99弄
6号楼713室