杰高双作用气缸主要技术,K304394
特征
?单稳态滑阀具有T?V的IEC 61508功能安全数据
多可使用SIL 4 / AK 7
?ASCO / JOUCOMATIC电磁阀满足所有相关的EC指令
?型号: - 先导式气动,弹簧复位,目录号:G551A101(1/4);
G552A101(3/8); G553A101(1/2)
气动操作器,如果在室外或恶劣环境中使用(灰尘,液体等)
?可根据要求提供符合“UL”标准的服务
?551系列的磁性锁存器执行,TPL 20649
?防爆外壳,适用于1 / 21-2 / 22区域,
类别2-3,适用于ATEX指令94/9 / EC(参见“防爆螺线管”部分)
?配有排气减压器G 1/8(3/2 NC-5/2,系列551),后端x M的阀门
?一套不锈钢安装螺钉(系列551),
目录号978 02 212
?一套两个G 1/8排气减速器(系列551),
目录号881 00 344
?可根据要求提供其他管螺纹
?带有视觉指示和峰值电压抑制或电缆长度为2米的插头(参见电磁铁,线圈和附件部分)
?电磁阀可以安装在任何位置而不会影响操作
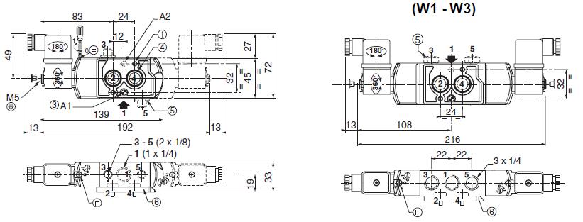
?3/2 NC-5/2滑阀配有两个带NAMUR配合面的接口板。 取决于功能(3/2 NC或
5/2),在安装到执行器上之前,将两个板中的一个定位在滑阀阀体上
?定位销(如有必要),螺栓和垫圈是标准配置

?必须将管道或配件连接到排气口,以保护滑阀的内部部件及其
?电磁操作滑阀具有螺纹端口连接和NAMUR
接口?IEC 61508功能安全(后缀为SL),允许的温度范围:
-40°C至+ 60°C。 如果发生故障,请咨询ASCO / JOUCOMATIC
?螺纹管连接识别器为G = G(ISO 228/1)
?后端x“SL”的阀门配有特殊的排气保护装置
?每个阀门都附带安装/维护说明
- 先导式气动和返回,目录号:G551A102(1/4);
G552A102(3/8); G553A102(1/2)
?Suffi x“MF”(仅限气动,温版本,-40°C)
?Suffi x“GD”(仅限气动,ATEX 2GD c)
?相同的滑阀可适用于3/2 NC或5/2功能进行控制
双作用和单作用执行器
?该滑阀的所有排气口均可连接,提供更好的环境
保护,特别TJ用于敏感区域,如洁净室,和
在制药和食品加工领域的应用
?阀门提供环境保护,防止液体,灰尘或液体进入
其他异物(环保建筑)

杰高双作用气缸主要技术,K304394
021-39526589
网址:www.qiant.net
地 址:上海市嘉定区嘉涌路99弄
6号楼713室