NUMATICS选用方法燃烧阀,8342G003P 240/60
特征
●电磁阀满足所有相关的EC指令
应用于线圈CMXX-FT的前缀,请参见相应的目录号,例如:NF E272A016
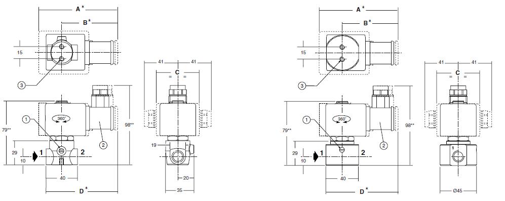
安装:两个M4,深6孔
* + 15 mm用于连接器拆卸
** +41 mm用于线圈拆卸
●结构紧凑,重量轻,安装方便
●用于一般服务应用的环氧模制线圈
●线圈可互换,无需拆卸阀门
●阀门也可以配备FPM(氟弹性体/氟橡胶)和EPDM(乙烯 - 丙烯)。 使用适当的选项
后缀字母用于识别

●带有密封件和圆盘的氧气服务,FPM,后缀NV,例如:SC E272A031 MS NV
●IP67外壳,带螺钉端子线圈和压盖Pg 13,5,至CEE-10(前缀WP或WS)
●用于潜在性环境的防爆外壳NF / NK(EEx d),EM / WSEM(EEx em),PV(EEx m),
EC测试符合94/9 / EC ATEX指令
●目录号中的三个数字表示标准管道连接
●可根据要求提供其他管螺纹
PV线圈的交流电流(EEx m)的工作压差(bar):使用JMX线圈指示的值
●H类线圈(CMXX-HT),前缀HT,例如:SCHT E272A016
●带有视觉指示和峰值电压抑制或电缆长度为2米的插头
●阀门可以安装在任何位置,不会影响操作
●阀门在阀体上有2个安装孔
●管道连接(G *)具有符合ISO 228/1和ISO 7/1标准的组合螺纹
连接器可以90°增量旋转(Pg 11P)
●每个电磁阀都附带安装/维护说明(参见11节)
●备件套件和更换线圈可供选择
螺丝刀手动操作器(后缀MS)

NUMATICS选用方法燃烧阀,8342G003P 240/60
021-39526589
网址:www.qiant.net
地 址:上海市嘉定区嘉涌路99弄
6号楼713室