注:除非另有说明,所有规格以毫米为单位。
S8VM-10012D 12V 欧姆龙开关电源PDF技术资料


注:除非另有说明,所有规格以毫米为单位。
PFP-100N
PFP-50N

PFP-100N2

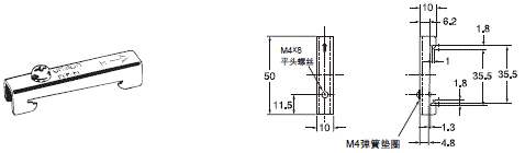
PFP-M

注:如果单元可能受到振动或冲击,请使用钢质DIN导轨。否则金属可能因磨损导致铝制产品产生破损。
1 。安装不当将散热和干扰可能偶尔导致变质或损坏间终部件。
使用电源的降额曲线内安装方向被使用。
2.使用的金属板,所述安装板(* 1) 。
3.安装电源,使气流循环周围的电源,作为电源的设计通过自然空气流的装置,以辐射热量。
4.安装螺丝的拧紧力矩(TJ值: M3 ( 0.49 N· M) )
使用温度范围-25~70℃,满足-40℃温启动(注1)
输入范围:AC100~240V (AC85~264V)
小巧精致的外形尺寸,适合更小空间
使用特制安装支架的灵活安装
3C安全标准:GB4943.1;GB17625.1;GB/T9254
电磁兼容标准:EMS:符合EN61204-3 EMI:符合EN55011 Class B
三年(注2)
021-39526589
网址:www.qiant.net
地 址:上海市嘉定区嘉涌路99弄
6号楼713室