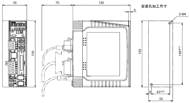
产品
| 型号(R88M-) | G90010T | G2K010T | G3K010T | G4K510T | G6K010T | ||
|---|---|---|---|---|---|---|---|
| 项目 | 单位 | ||||||
| 额定输出*1 | W | 900 | 2000 | 3000 | 4500 | 6000 | |
| 额定转矩*1 | N・m | 8.62 | 19.1 | 28.4 | 42.9 | 57.2 | |
| 额定转速 | r/min | 1000 | |||||
| 瞬时较大转速 | r/min | 2000 | |||||
| 瞬时较大转矩*1 | N・m | 18.4 | 41.5 | 60 | 101 | 130 | |
| 额定电流*1 | A(rms) | 7.6 | 18.5 | 24 | 33 | 57.2 | |
| 瞬时较大电流*1 | A(rms) | 17.1 | 44 | 57.1 | 84.2 | 121.4 | |
| 转动惯量 | kg・m2 (GD2/4) | 1.12×10-3 | 3.55×10-3 | 5.57×10-3 | 8.09×10-3 | 9.9×10-3 | |
| 适用负载惯量 | ─ | 转动惯量的10倍以下*2 | |||||
| 转矩额定数*1 | N・m/A | 1.13 | 1 | 1.1 | 1.3 | 1.22 | |
| 功率比*1 | kW/s | 66.3 | 103 | 145 | 228 | 331 | |
| 机械时间常数 | ms | 0.88 | 0.97 | 0.74 | 0.7 | 0.65 | |
| 电气时间常数 | ms | 20 | 25 | 30 | 31 | 46.2 | |
| 允许径向负载*3 | N | 686 | 1176 | 1470 | 1470 | 1764 | |
| 允许轴向负载*3 | N | 196 | 490 | 490 | 490 | 588 | |
| 质量 | 不带制动器 | kg | 约8.5 | 约17.5 | 约25 | 约34 | 约41 |
| 带制动器 | kg | 约10 | 约21 | 约28.5 | 约39.5 | 约45 | |
| 散热板尺寸(材质) | 275×260×t15(Al) | 470×440×t30(Al) | |||||
| 适用驱动器(R88D-) | GT15H | GT30H | GT50H | GT50H | GT75H | ||
| 制 动 器 规 格 | 制动惯量 | kg・m2 (GD2/4) | 1.35×10-4 | 4.7×10-4 | 4.7×10-4 | 4.7×10-4 | 4.7×10-4 |
| 励磁电压*4 | V | DC24V±10% | |||||
| 功耗(20°C时) | W | 19 | 31 | 34 | |||
| 电流消耗(20°C时) | A | 0.79 | 1.3 | 1.4 | |||
| 静摩擦转矩 | N・m | 13.7以上 | 24.5以上 | 58.8以上 | |||
| 吸引时间*5 | ms | 100以下 | 80以下 | 150以下 | |||
| 释放时间*5 | ms | 50以下 | 25以下 | 50以下 | |||
| 齿隙 | ±1° | ||||||
| 每次制动后所容许的制动工作量 | J | 1176 | 1372 | ||||
| 容许总工作量 | J | 1.6×106 | 2.9×106 | ||||
| 容许角加速度 | rad/s2 | 10,000以下 (900r/min以上的速度时不可在10ms以下变化) | |||||
| 制动器寿命 | ─ | 1000万次以上 | |||||
| 额定值 | ─ | 连续 | |||||
| 绝缘等级 | ─ | 类型F | |||||






旺旺