性能概览组合型气缸带锁气缸SMC,AL30-03-A

在进气口前使用 SMC 油雾分离器(AM 系列)。因为压缩空气中
的油雾和外部尘粒会降吸附效率和使用寿命。
当显示器颜色改变时,更换干燥剂。
输出空气(大气压)露点温度较可达-60℃。
[一般冷冻式空气干燥器大气压露点温度:-17℃]
设计简单,除水率高。
采用高分子中空隔膜来除去水份。
不需要电源。
没有冷媒(氟利昂)。寿命长。
水杯内有冷凝水时
当冷凝水收集到某程序时,浮子(5)因浮力升起,打开内腔孔(6),压
性高/高粘度流体亦可排出。
耐污尘及高粘度冷凝水,可准确开闭阀门排水。
排水能力大,一次动作可排出的水。
防止末端元件发生故障。
储气罐及配管内部无残留污水,因此可防止生锈及污水干后
产生的异物损害后面的元件。
电力消耗: 4W。
排水口可装长配管。
AC10、20 只有常断型(N、C)自动排水器。
AC25~60 除常通型(N.O.)自动排水器外,还有常断型自动排水器。
较使用压力:N.O.型为 0.1MPa,N.C.型为 0.15MPa。
AC20~60 除圆形压力表外,还有埋入式方形压力表(无连接螺纹)可供选择。
排水导管是NPT1/4 (AF30~60上适
用)。自动排水的排出口带¿3/8"快换
接头(AF30~60上适用)。
排水导管是G1/4(AF30~60上适用)。
标准型带有露点指示器(IDG1~5除外)。
不需要排水器。安装方便。
可与前置过滤器(油雾及微雾分离器)组合。
IDG1没有露点指示器,IDG10至IDG50标准型已带有露点指示器,但IDG3及IDG5标准型是不带的,如IDG3及IDG5也带有
露点指示器,请在型号后加上-S,型号举例:IDG5-02-S。
条件:进口压力在0.7MPa、进口饱和温度在25℃及环境和流体温度在25℃的情况下。
标准使用环保冷媒HFC134a
额定流量增加40%
耗电量降40%
采用不锈钢热交换器,增强
耐腐蚀性
符合ISO标准(3℃压力露点)
(ANR)是指温度20℃,1个大气压和相对湿度65%。
此数值是在额定状态下的。
请安装漏电保护器(感度30mA)。
当出现短期电力不足(包括连续电力不足)时,
再启动时可能比正常情况下所用的时间要长,
或由于有保护电路,即使来电也有可能不能正常启动。
使用不锈钢热交换器,结构紧凑,耐腐
蚀性提高。
与以前的老产品(IDF□D,IDU□D)相
比较,处理空气量多可增加40%,消
耗功率多可减少38%。
使用不破坏臭氧层的冷媒。
标准型过气方向是从左至右,另有过气方向从右至左供选择、型号举例:IDG10-03-R。

水滴分离器的除水率比主管路过滤器高,比干
燥器,但比干燥器,又不需要电源,
安装空间比干燥器小,适合不能采用干燥器的情况下使用。
除去压缩空气中的油、水、固态物等污
染物,提高下游干燥器的功能,延长精
密过滤器的寿命,防止元件出现故障。
使用自动排水器时,工作压力要在0.15MPa以上。
压缩机排放油浓度为30mg/m3(ANR)时。
AMH系列是带前置过滤器的微雾分离器,主要是
AM和AMD系列的接合体。
节省配管及安装时间。
单一滤芯,缩短更换滤芯的时间。省空间。
当水杯内无压力时,浮子(5)因自重而下降,压块(9)关闭内腔孔(6),
活塞(8)被弹簧(11)压下,而冷凝水通过(12)排水。
水杯内有压力时
当压力在0.1MPa以上时,活塞(8)克服弹簧(11)力向上压,因而排水
道(12)关闭,水杯(10)内部与外界隔断。
内置手动开关,操作及维修容易。
托架和2个安装螺钉。
较使用压力,N.O.型为0.1MPa、N.C.型中,AD17·27为0.1MPa、AD37·47为0.15MPa。
单位表示成PSI, O
F规格,请向营业员询问。
排水导管是NPT1/4(AW30、40
上适用)。自动排水的排出口带
¿3/8"快换接头(AW30、40、60
上适用)。)排水导管是G1/4(AW30、40、60上适用)。
可直接装在压缩机下方。
安装前必须残留在储气罐内的积水。
排水口向下安装。
在近ADM200处装设截止阀,便于检查保养
阀门积有灰尘时,应按手动按钮进行冲洗。
不适用于腐蚀性气体。
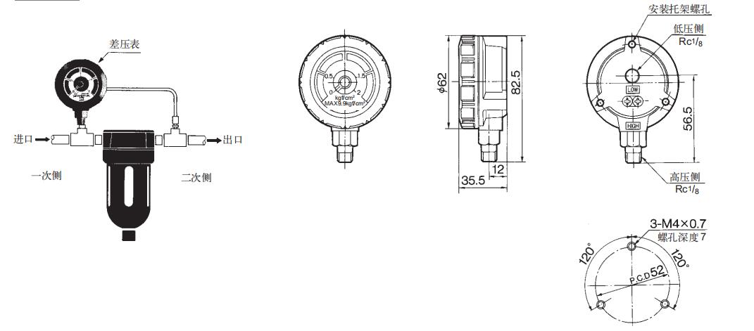
差压表应安装于稳固的配管上。任何猛力震动及撞击均会
使差压表精度降。
只适用于压缩空气系统上。
差压表主要功能是显示一次侧和二次侧压力的差值,
以便确定系统的维修进程。
体积小、重量轻,可方便地装于旁路系统上,标准件
附有防护盖,避免意外碰撞。
力进入内腔,活塞(8)被压力和弹簧(11)压下,冷凝水通过排水导管
(13)排水。
浮子式设计,不需要电源操作,不会浪费压缩空气。
、耐用、适合水质带污垢的情况下使用。
不会受背压影响,适合集中排水用。
排水量大(400m /min)。
由于视窗为塑料制品,所以不得粘上化学物质,
如溶剂、四氯化碳、氯仿、醋酸、苯胺环己烷、
三氯乙烯、硫酸、乳酸、硝酸等。
不得用于有外部振动和冲击的地方。
差压表背面指示的高(HIGH)和(LOW)相应地表示高压侧
和压侧。高(HIGH)应装于过滤器一次侧;(LOW)应装
于二次侧,但不能使用截止阀,以防由于开或关的错误,
使差压表损坏。
差压表要垂直地,正确地安装。

性能概览组合型气缸带锁气缸SMC,AL30-03-A
021-39526589
网址:www.qiant.net
地 址:上海市嘉定区嘉涌路99弄
6号楼713室